EasyManua.ls Logo

Roundup VCT-2 - WIRING DIAGRAM

Default Icon
20 pages
Print Icon
To Next Page IconTo Next Page
To Next Page IconTo Next Page
To Previous Page IconTo Previous Page
To Previous Page IconTo Previous Page
Loading...
16
P/N 1011271 Rev. A 06/14
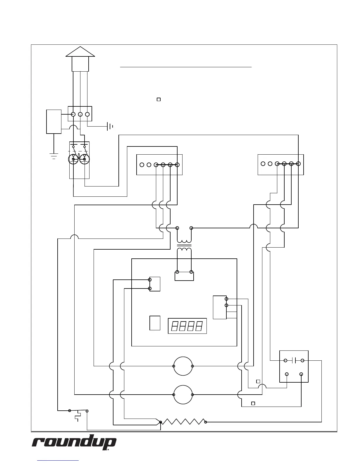
WIRING DIAGRAM
WIRING DIAGRAM
+
-
M
F
GRN-YEL
WHT/BLU
BLK/BRN
CORD
POWER
* 14 GA. AWM 105° C
# 18 GA. AWM 105° C
*GRN
BLOCK #1
TERMINAL
GND
TRANSFORMER
1800W PLATEN
4
3
S.S.
RELAY
1
2
*WHT
*BLK
SWITCH
5
7
8
15
17
4
6
11
14
16
1
2
1
2
3
4
TC
BLOCK #3
TERMINAL
BLOCK #2
TERMINAL
TERMINAL
FAN
MOTOR
J1
J2
*BLK
*WHT
*WHT
POWER
#WHT
#BLK
#WHT
#WHT
#BLK
#BLK
#BLK
#BLK
#WHT
#WHT
HI-LIMIT
J5
#YEL
J3
1
2
#YEL
MAIN
DISPLAY
BOARD
22 GA. XLP 125Ā C
∆ 14 GA. TFE 200Ā C
∆ WHT
∆ BLK
BLK
RED
BRD
MOV

Related product manuals