EasyManua.ls Logo

Sage SIP - SIP Series Integral Style Flow Meters

Sage SIP
68 pages
Print Icon
To Next Page IconTo Next Page
To Next Page IconTo Next Page
To Previous Page IconTo Previous Page
To Previous Page IconTo Previous Page
Loading...
O p e r a t i o n s a n d I n s t r u c t i o n M a n u a l
35
S A G E M E T E R I N G , I N C .
REV. 16-SIP/SRP
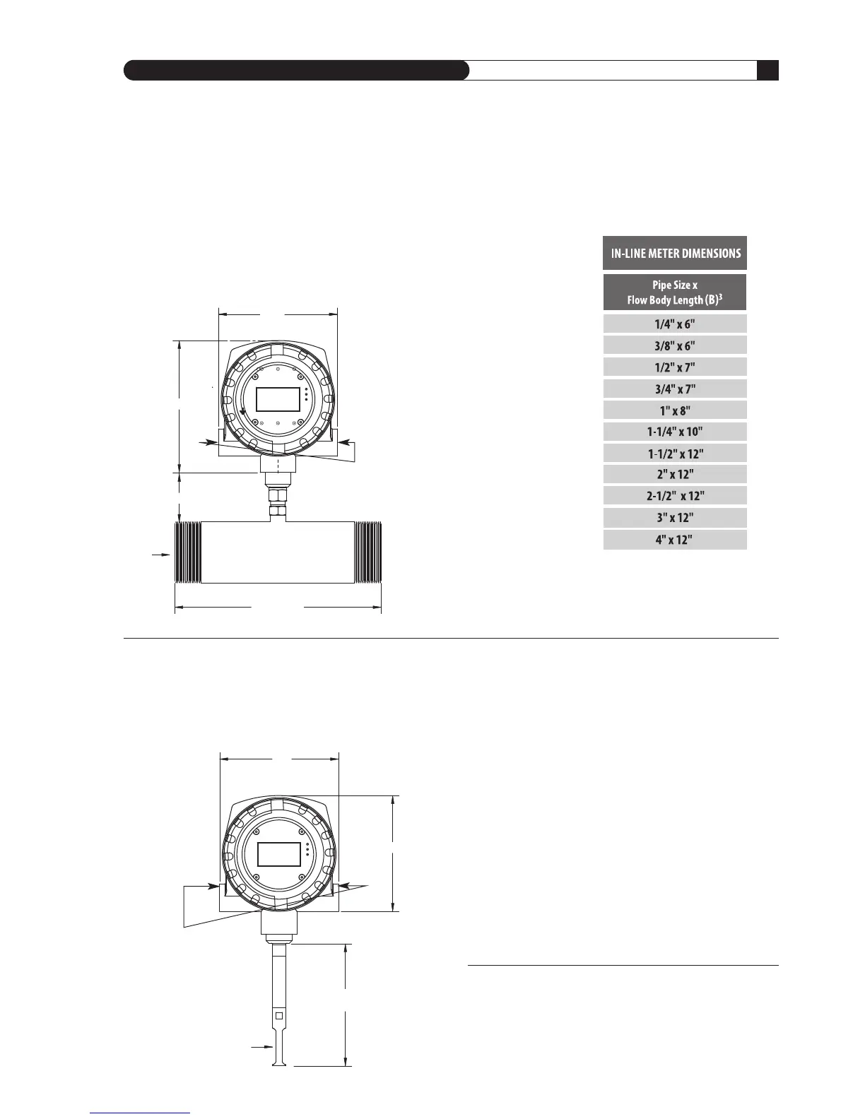
INSERTION STYLE
2
150#, 300#, or 600# flanged mounting is optionally avail-
able. Available probe lengths are 6", 12", 15", 18", 24", 30",
36" or 48". Standard probe is 1/2" diameter (3/4" optional
recommended for 36" or 48")
4.50
4.60
Probe Length
FLOW
SIP Series Integral Style Mass Flow Meters
IN-LINE STYLE
1,3
150#, 300#, or 600# flanged ends are optionally available.
(150# flanges recommended on 3" and 4" Flow Bodies)
5.38
2-3/4” Nominal
See Chart
FLOW
4.61
1 NPT Fittings standard
2 Flanged Mounting available for high pressure operation
3 Flow Conditioning built in to Flow Meter Pipe Sizes 1/2" and up. Contact Sage for optional
1/4" tube flow body.
Depth: DC Enclosure depth is 4.35"
AC Enclosure depth is 5.35"
1/2" NPT
User Entry
for Wiring
1/2" NPT
User Entry
for Wiring
CAUTION:
Do not rotate the
Enclosure of In-Line
Style Meters relative
to the Flow Tube, or
the calibration may
be effected since the
sensors may become
misaligned.

Table of Contents