EasyManua.ls Logo

SAJ AS1-3KS-5.1 - System Wiring Schematic; Master Device Wiring

SAJ AS1-3KS-5.1
36 pages
Print Icon
To Next Page IconTo Next Page
To Next Page IconTo Next Page
To Previous Page IconTo Previous Page
To Previous Page IconTo Previous Page
Loading...
- 21 -
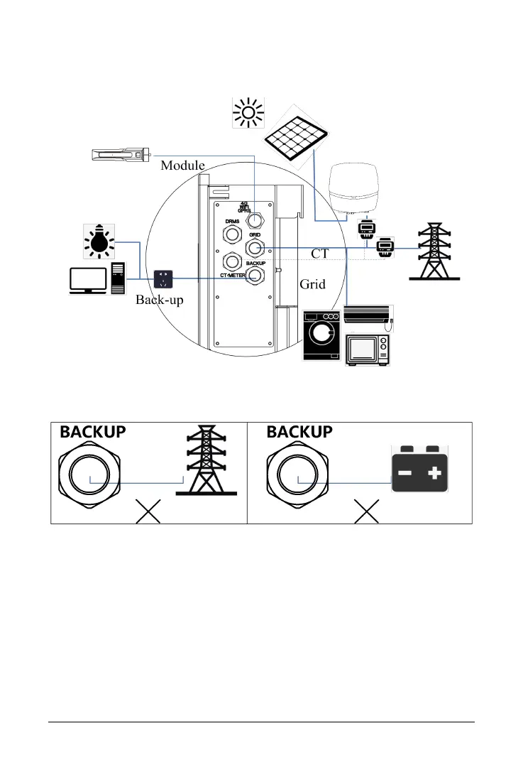
4.2 System Wiring Schematic
Fig. 4.2 Wiring schematic diagram
Don’t connect the backup loads side with the grid or battery
Fig. 4.3 Wrong connection example
4.3 Master Device Wiring
When wiring the master device, you need to disassemble the wiring cover in
the upper right corner and connect as per the terminal identification.

Related product manuals