EasyManua.ls Logo

Samson 4708 - Page 28

Samson 4708
36 pages
Print Icon
To Next Page IconTo Next Page
To Next Page IconTo Next Page
To Previous Page IconTo Previous Page
To Previous Page IconTo Previous Page
Loading...
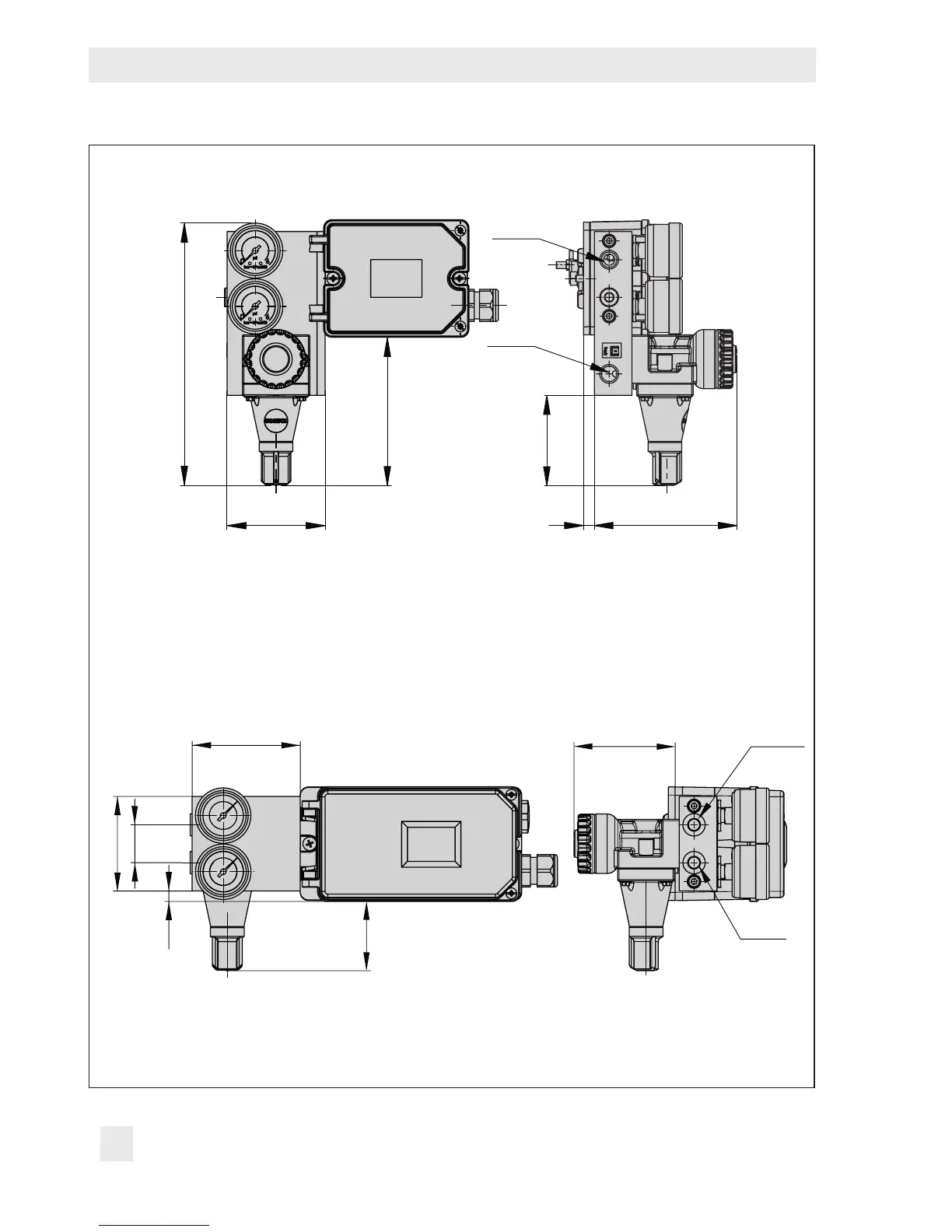
28 EB 8546 EN
Dimensions in mm
106
8
195
73
110
67
Output
Supply
70
80
28
51
7.7
75 (99)
Supply
Output
Type4708-54xxmountedontoType3725Positioner
Type4708-53xxmountedontoTypes376xand373xPositioners

Related product manuals