EasyManua.ls Logo

Samsung OfficeServ500 - Page 100

Samsung OfficeServ500
132 pages
Print Icon
To Next Page IconTo Next Page
To Next Page IconTo Next Page
To Previous Page IconTo Previous Page
To Previous Page IconTo Previous Page
Loading...
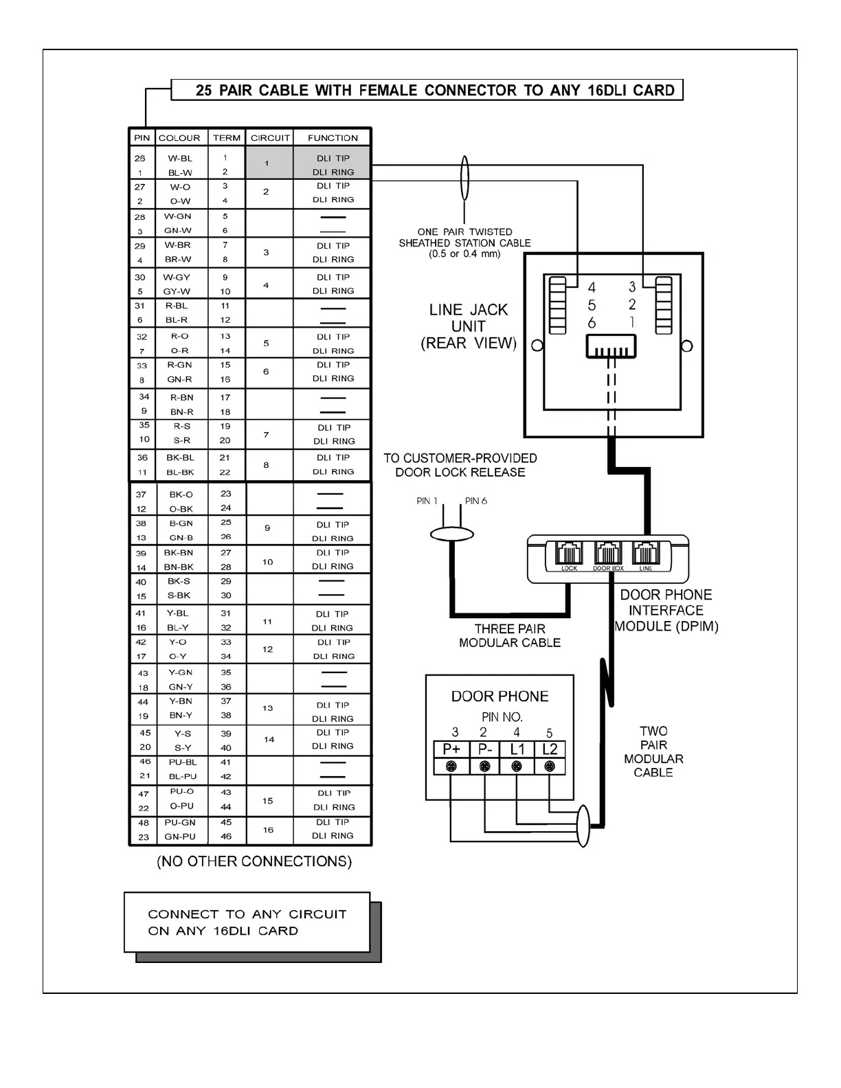
FIGURE 7-8b MDF CONNECTIONS: DOOR PHONE
RST
ON
OFF
AND DPIM TO 16DLI CARD
RST
ON
OFF

Table of Contents

Related product manuals