EasyManua.ls Logo

Scale House ASB6 - 9. CONNECTING TO CASH REGISTERS LYNX AND PUMA

Scale House ASB6
62 pages
Print Icon
To Next Page IconTo Next Page
To Next Page IconTo Next Page
To Previous Page IconTo Previous Page
To Previous Page IconTo Previous Page
Loading...
15
TPR printer power supply
STANDARD
CABLE
POWER SUPPLY
+VP and
+VC
Red and Orange
+V (5V / 5A)
GND
and
GND
Black and Black
-
V
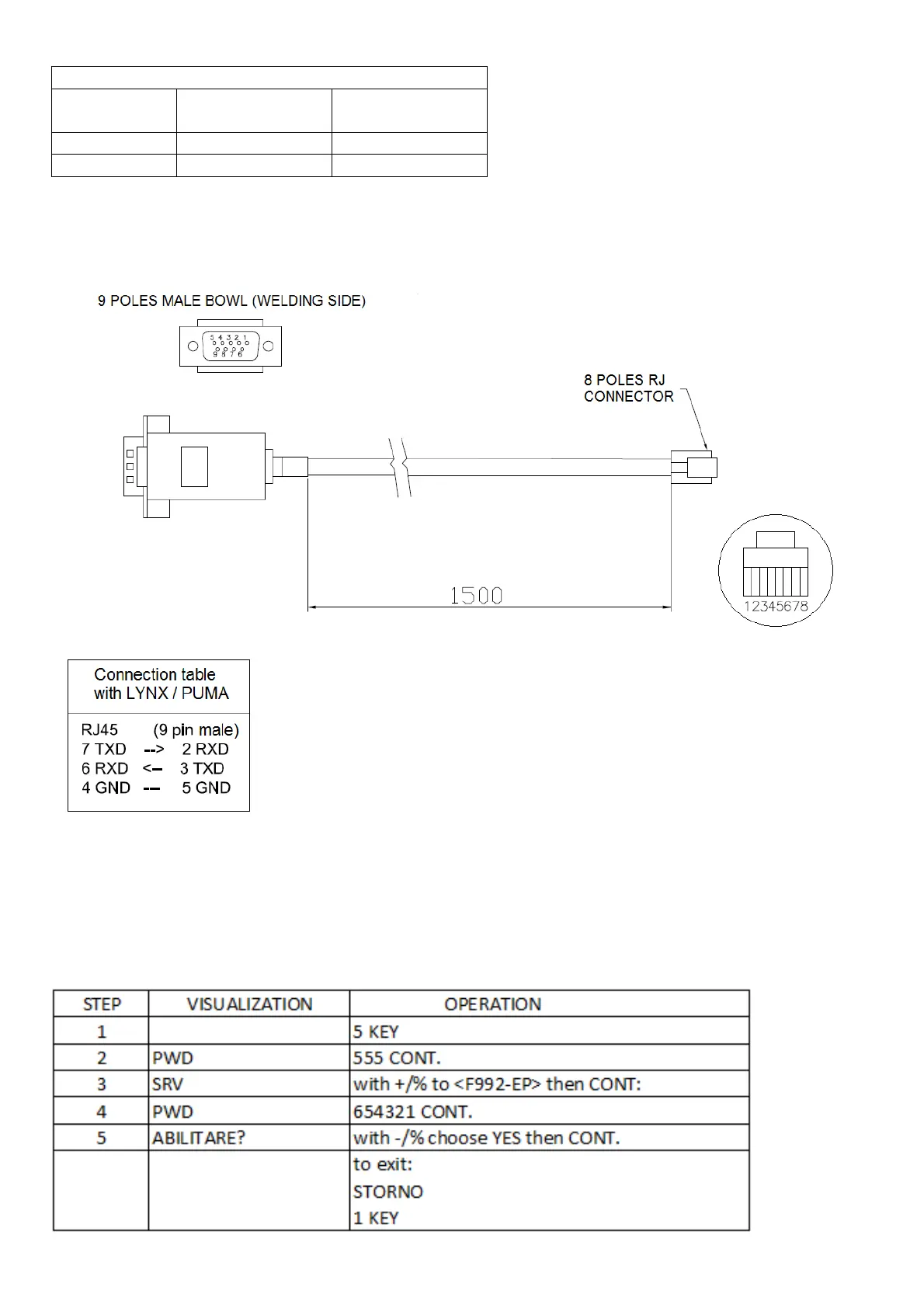
9. CONNECTING TO CASH REGISTERS LYNX AND PUMA
Wiring diagram:
To connect the cash register to the instrument it’s necessary set Baud Rate on 9600 (Setup step “F11”) and totalization on
ECR (Setup step “F13”).
On the cash register it’s necessary to do the following operation (Lynx only):

Table of Contents

Related product manuals