EasyManua.ls Logo

Scantool 40BK - Wiring Diagrams

Scantool 40BK
42 pages
Print Icon
To Next Page IconTo Next Page
To Next Page IconTo Next Page
To Previous Page IconTo Previous Page
To Previous Page IconTo Previous Page
Loading...
15
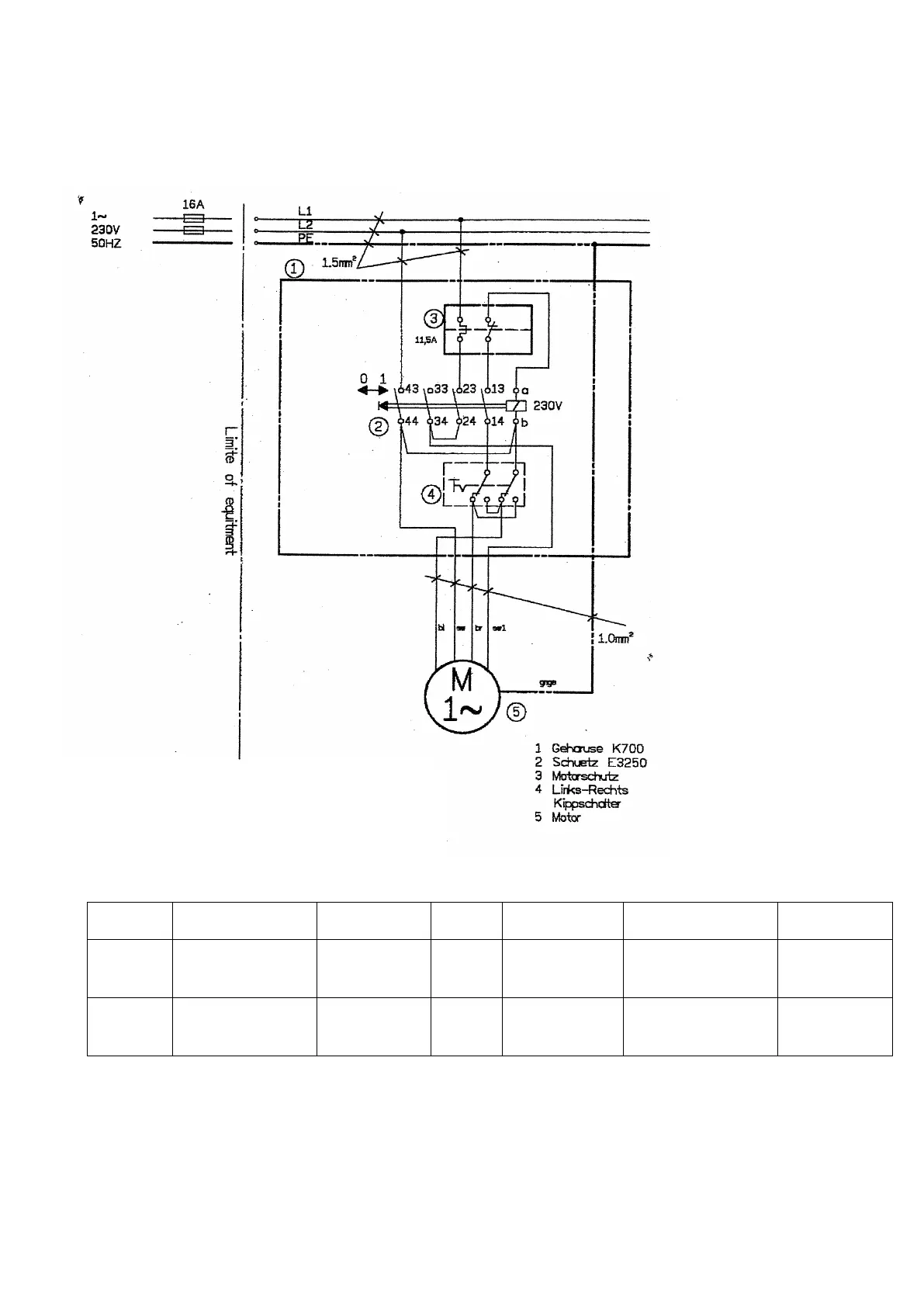
7. WIRING DIAGRAMS
Item
Designation and
Function
Technical
Data
Qty
Suppiler
Suppilerg
Reference
Remark
Klinger
IE 13,5A
UE= 230V
UC=230V/50Hz
Overload 11,5A
1
Klinger
K700
082917
VDE 0620
IEC 204-1
VDE 0113 Teil 1
EN 60204-1/6,93
M
Motor
1,11Kw
230V
11A
1420 rpm
1
Jiuh Dah
Jef-H

Related product manuals