EasyManua.ls Logo

Scantool 40BK - Quill Return Spring Adjustment

Scantool 40BK
42 pages
Print Icon
To Next Page IconTo Next Page
To Next Page IconTo Next Page
To Previous Page IconTo Previous Page
To Previous Page IconTo Previous Page
Loading...
8
c) Clean the machine and coat it with lubricant.
d) Cover the machine with cloth to keep out the dust.
3. Adjustment of Head
a) To raise and lower the head, loosen the two heavy duty head lock nuts shown in Fig.
1. Use the left side head handle to raise and lower the head on its rack and pinion
mechanism. When the desired height is reached, tighten the bolts to avoid vibrations.
b) Head may be rotated 360° by loosening the same bolts as mentioned above. Adjust
the head to the desired angle, then fix the heavy duty head locknuts. It is tightened the
same time to fix the head if drilling and milling too much.
c) Unscrew the 3 nuts while the work piece needs to be well drilled, turn to the degrees
you wish on the scale then screw back the 3 nuts again.
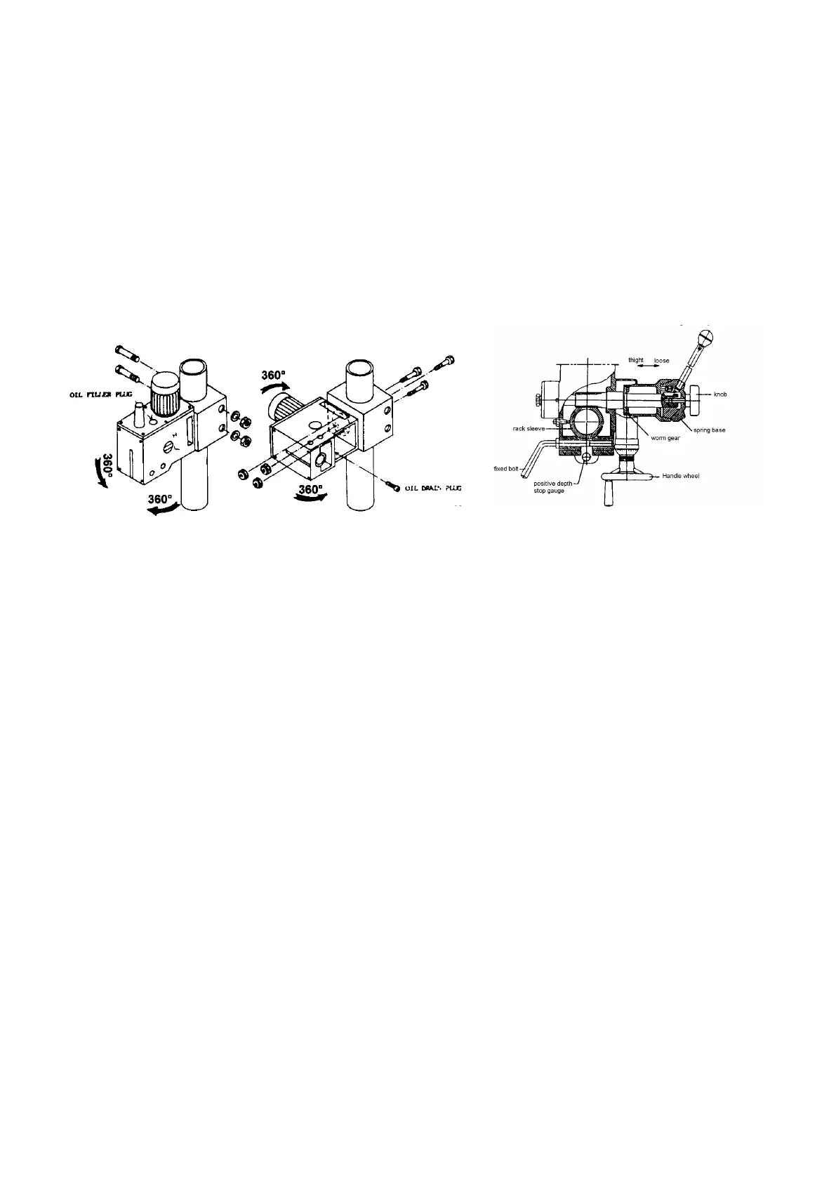
Quill Return Spring Adjustment
Spring tension for return of spindle, after hole drilling has been preset at the factory. No
further adjustment should be attempted unless absolutely necessary. Adjustment will
probably be required if a multiple spindle drilling or tapping head is used. If adjustment is
necessary, loosen lock screw while holding quill spring housing. Do not allow the housing
to turn in your hand, or spring will unwind. Turn entire housing assembly clockwise the
number of turns necessary to cause the quill to return to its up position.
Note: the flat of the spring housing pilot is lined up with the spring loading hole on
the body of the spring housing.
Reset lock screw and make sure point of screw mates to flat on the housing journal.
1. Preparing for Drilling (see Fig. 2). (Except addition power feed system).
Turn off the knob, loosen the taper body of worm gear and spring base. Then you decide
spindle stroke setting the positive depth stop gauge for drilling blind hole or free state for
pass hole.
2. Preparing for Milling (see Fig. 2). (Except addition power feed system).
a) Adjust the positive depth stop gauge to highest point position.
b) Tight turn of the knob is used to taper friction force coupling the worm gear and spring
base. Then turning the handle wheel by micro set the spindle of work piece machining
height.
c) Lock the rack sleeve at the desired height with fixed bolt.
Fig. 2
Fig. 1

Related product manuals