EasyManua.ls Logo

schmersal PROTECT-PSC - Page 100

schmersal PROTECT-PSC
267 pages
Print Icon
To Next Page IconTo Next Page
To Next Page IconTo Next Page
To Previous Page IconTo Previous Page
To Previous Page IconTo Previous Page
Loading...
3
Instruction Manual PROTECT-PSC
V 2.6R01 / 04.19
368
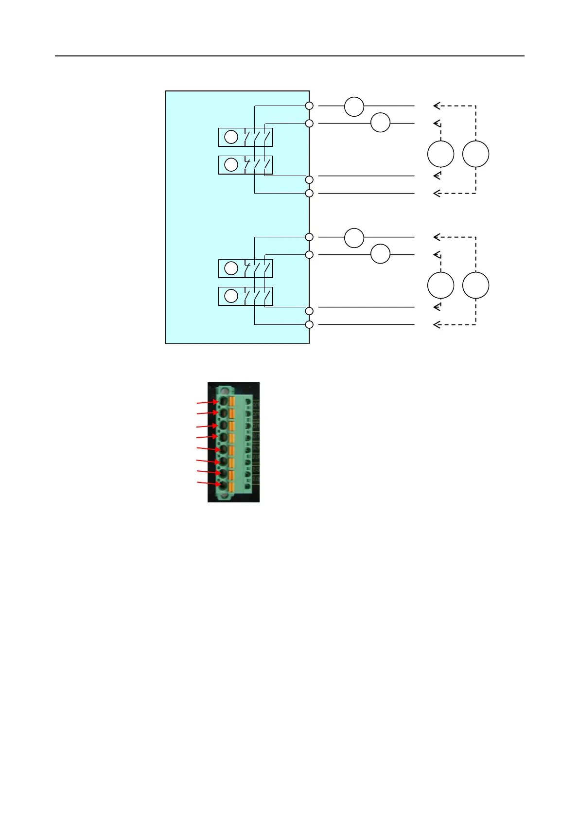
PSC-S-Relais terminal diagram
Terminal block pin number mapping
F
F
i
i
g
g
u
u
r
r
e
e
3
3
-
-
3
3
7
7
P
P
S
S
C
C
-
-
S
S
-
-
R
R
e
e
l
l
a
a
i
i
s
s
t
t
e
e
r
r
m
m
i
i
n
n
a
a
l
l
d
d
i
i
a
a
g
g
r
r
a
a
m
m
MS1(Enable relay)
I/O circuit
MS2(Enable relay)
MS1
MS2
A
A
B
B
V
1
V
2
MS3(Enable relay)
MS4(Enable relay)
MS3
MS4
A
A
B
B
V
3
V
4
0/1-1
0/1-3
0/1-4
2/3-1
2/3-2
2/3-3
2/3-4
SN-
I/F
pro-
toc
ole
pin No.
0/1-1
0/1-2
0/1-3
0/1-4
2/3-1
2/3-2
2/3-3
2/3-4

Table of Contents