EasyManua.ls Logo

Seakeeper 9 - Section 2: SYSTEM OPERATION; 2.0 Introduction

Seakeeper 9
47 pages
Print Icon
To Next Page IconTo Next Page
To Next Page IconTo Next Page
To Previous Page IconTo Previous Page
To Previous Page IconTo Previous Page
Loading...
INSTALLATION
MANUAL
Product:
Document #:
Rev:
Page:
SEAKEEPER 9 / 7HD
90222
6
9 of 20
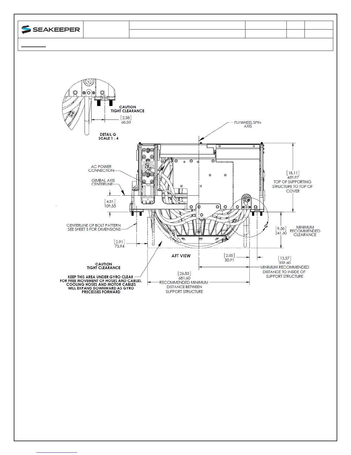
CAUTION: Tight clearances from cable guide bands to hull structure. See above figure
for dimensions and reference Seakeeper drawing NO. 90225 for complete Seakeeper
9/7HD envelope.

Table of Contents

Other manuals for Seakeeper 9

Related product manuals