EasyManua.ls Logo

Seakeeper 9 - 1.1 Seakeeper Assembly

Seakeeper 9
47 pages
Print Icon
To Next Page IconTo Next Page
To Next Page IconTo Next Page
To Previous Page IconTo Previous Page
To Previous Page IconTo Previous Page
Loading...
INSTALLATION
MANUAL
Product:
Document #:
Rev:
Page:
SEAKEEPER 9 / 7HD
90222
6
4 of 20
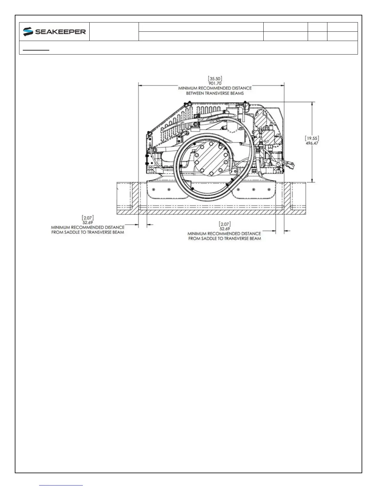
FIGURE 3 TRANSVERSE BEAMS CLEARANCE CONSIDERATIONS
Refer to Figure 3 for recommended clearances to transverse beams. If a transverse beam is
located under the forward brace, it must be 2” (53 mm) from the edge of the saddle beams to
provide the necessary clearance for the swing of the motor power cable during the Seakeeper’s
precession. Clearances aft of the Seakeeper are shown to provide access for regular
scheduled maintenance.

Table of Contents

Other manuals for Seakeeper 9

Related product manuals