EasyManua.ls Logo

Seca 664 - Struttura del Menu

Seca 664
Print Icon
To Next Page IconTo Next Page
To Next Page IconTo Next Page
To Previous Page IconTo Previous Page
To Previous Page IconTo Previous Page
Loading...
Panoramica • 173
Italiano
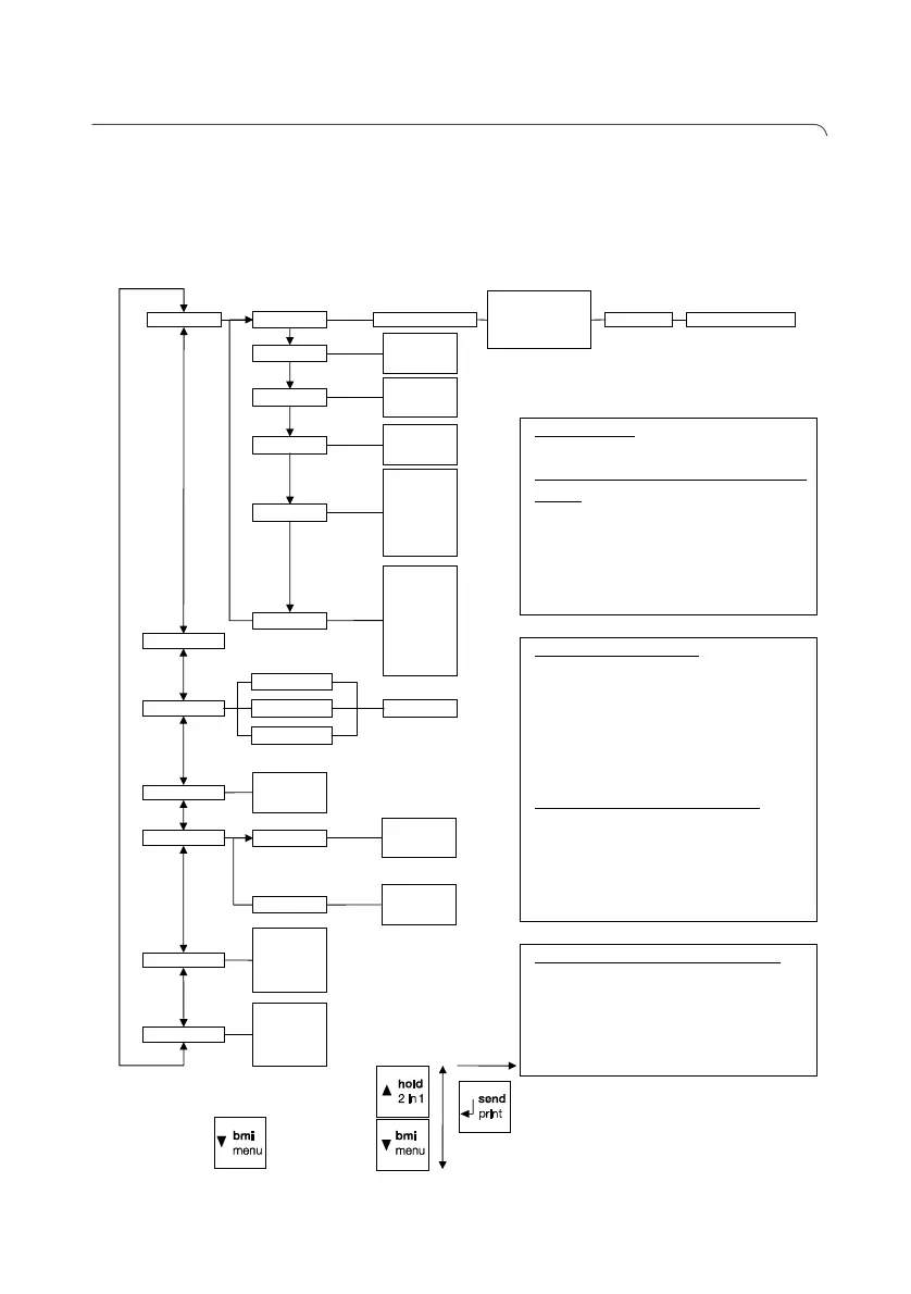
4.5 Struttura del menu
Nel menu dell’apparecchio sono disponibili altre fun-
zioni. Queste consentono di configurare l’apparecchio
in modo ottimale per le condizioni di utilizzo (dettagli da
pagina 187).
Reg. Devices (Mo)*
Channel 1 (C1)*
Channel 2 (C2)
Channel 3 (C3)
StoprF Group (ID)*Learn
Autosend
on
off
Print
H
M
HM
Man
Time
Year
Month
Day
Hour
Minute
Reset
Autohold
on
off
Fil
0
1
2
Beep
on
off
on
off
Press
Hold
Unit
kg
lbs
sts
Erkannte Gete (Mo):
- 1: Personenwaage
- 2: Längenmessstab
- 3: Funkdrucker
- 4: PC mit USB-Funkmodul
- 7: Babywaage
Raum (ID):
Max. drei seca Funkräume: 0, 1, 2
Maximal-Konfiguration pro Funkraum:
- 1 Babywaage
- 1 Personenwaage
- 1 Längenmessstab
- 1 Funkdrucker
- 1 PC mit USB-Funkmodul
Kanal (C1, C2, C3):
-Drei Kale pro Funkraum ( insg. 9 Kanäle)
-Kanalzahlen: 0-99
-Jede Kanalzahl für nur jeweils einen Kanal
-Empfohlener Abstand: 30
Beispiel-Konfiguration:
- Raum 0: C1__0, C2_30, C3_60
- Raum 1: C1_10, C2_40, C3_70
- Raum 2: C1_20, C2_50, C3_80
(Hinweis: Im Display keine Leerzeichen)
Send
on
off
*Funknetzwerk seca 36 Wireless:
AClear
on
off
Sto 2 (Weight)
PT
Net Weight
Sto 1 (Weight)
Sto 3 (Weight)
Me aufrufen:
Navigation:
Navigazione:
Apertura del menu:
*Rete radio seca 360° wireless:
Gruppo (ID):
Max. tre gruppi radio seca: 0, 1, 2
Configurazione max. per gruppo
radio:
-1 pesaneonati
- 1 pesapersone
- 1 altimetro
- 1 stampante radio
- 1 PC con adattatore radio USB
Canale (C1, C2, C3):
- Tre canali per gruppo radio (in
tot. 9 canali)
- Numeri canale: 0 - 99
- Utilizzare ogni numero canale
una sola volta
- Distanza consigliata: 30
Esempio di configurazione:
- Gruppo 0: C1 0, C2 30, C3 60
- Gruppo 1: C1 10, C2 40, C3 70
- Gruppo 2: C1 20, C2 50, C3 80
(Indicazione: nessuno spazio sul
display)
Apparecchi riconosciuti (MO):
- 1: Bilancia pesapersone
- 2: Altimetro
- 3: Stampante radio
- 4: PC con adattatore radio USB
- 7: Pesaneonati

Table of Contents

Other manuals for Seca 664

Related product manuals