EasyManua.ls Logo

Seca 7031321007 - Appendixes

Seca 7031321007
55 pages
Print Icon
To Next Page IconTo Next Page
To Next Page IconTo Next Page
To Previous Page IconTo Previous Page
To Previous Page IconTo Previous Page
Loading...
Appendixes seca
05.10.12/RLEU/ARI/MRE 34/38 30-34-00-812b
Appendixes
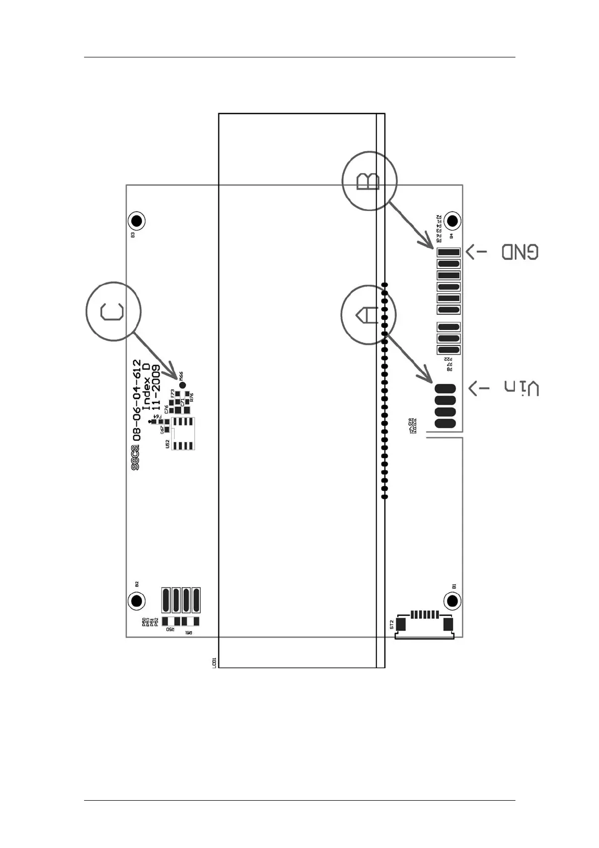
Appendix 1: Measuring points on SECA module 08-06-18-163 [703]

Table of Contents

Related product manuals