Home
Selco
Welding System
Genesis 282-352 TLE
Page 124 (Ma, Oversigt, Skjema, Kytkentäkaavio)
Selco Genesis 282-352 TLE - Ma, Oversigt, Skjema, Kytkentäkaavio
130 pages
Manual
Go to English
Save Page as PDF
To Next Page
To Next Page
To Previous Page
To Previous Page
Loading...
124
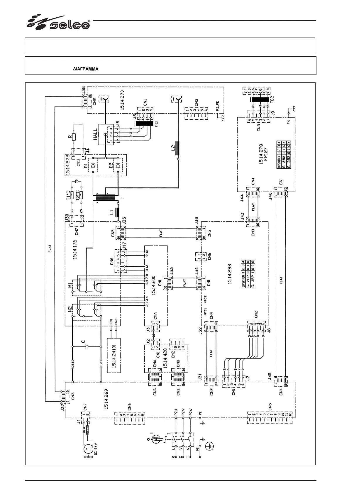
Schema, Diagram, Schaltplan, Schéma, Esquema, Diagrama, Schema, kopplingsschema, Oversigt, Skjema,
K
ytkentäkaavio,
55.02.028
GENESIS 282 3x400V
55.02.035
GENESIS 352 3x400V
123
125
Table of Contents
Main Page
Italiano
2
Default Chapter
2
Table of Contents
2
1 Sicurezza
4
Protezione Personale E DI Terzi
4
Prevenzione Incendio/Scoppio
4
Protezione da Fumi E Gas
4
Posizionamento Generatore
4
Installazione Apparecchiatura
4
2 Compatibilita' Elettromagnetica (Emc)
5
Installazione, Uso E Valutazione Dell'area
5
Metodi DI Riduzione Delle Emissioni
5
3 Analisi DI Rischio
5
4 Presentazione Della Saldatrice
6
Pannello Comandi Frontale FP126
6
Pannello Comandi Frontale FP127
7
Pannello Comandi Posteriore
7
Identificazione
8
Caratteristiche Tecniche
8
5 Trasporto-Scarico
8
6 Installazione
8
Allacciamento Elettrico Alla Rete
8
Collegamento Attrezzature
8
7 Problemi-Cause
10
Possibili Difetti DI Saldatura in MMA
10
Possibili Difetti DI Saldatura in TIG
10
Possibili Incovenienti Elettrici
10
8 Manutenzione Ordinaria
10
9 Informazioni Generali Sulle Saldature
11
Saldatura con Elettrodo Rivestito (MMA)
11
Saldatura TIG (Arco Continuo)
11
English
13
1 Safety
14
Operator and Other Persons' Protection
14
Fire/Explosion Prevention
14
Protection against Fumes and Gases
14
Positioning the Power Source
14
Lnstalling the Apparatus
14
Personal Protection
14
2 Electromagnetic Compatibility (Emc)
15
Installation, Use and Area Examination
15
Emission Reduction Methods
15
3 Risk Analysis
15
4 Machine Description
16
Front Control Panel FP126
16
Front Control Panel FP127
17
Rear Control Panel
17
Ldentification
18
Technical Characteristics
18
5 Transport - Unloading
18
6 Installation
18
Electric Connection to the Supply Mains
18
Connecting the Equipment Components
18
7 Problems - Causes
20
Possible Faults in the MMA Welding
20
Possible Faults in the TIG Welding
20
Possible Electrical Failures
20
8 Routine Maintenance
20
9 General Information on the Different Welding Processes
21
Coated Electrode Welding (MMA)
21
TIG Welding (Continuos Arc)
21
Deutsch
23
1 Sicherheit
24
Persönlicher Schutz und Schutz Dritter
24
Brand-/Explosionsverhütung
24
Rauch- und Gasschutz
24
Generator Aufstellen
24
Gerät Installieren
24
2 Elektromagnetische Verträglichkeit (Emc)
25
Lnstallation, Gebrauch und Bewertung des Bereichs
25
Systeme zur Reduzierung der Emissionen
25
3 Gefahrenanalyse
25
4 Vorstellung der Maschine
26
Vorderes Schaltfeld FP126
26
Vorderes Schaltfeld FP127
27
Hinteres Schaltfeld
27
Ldentifizierung
28
Technische Eigenschaften
28
5 Transport - Abladen
28
6 Installation
28
Elektrischer Anschluss an das Netz
28
Anschlüsse
28
7 Störungen - Ursachen
30
Mögliche Fehler bei MMA -Schweissung
30
Mögliche Fehler bei WIG-Schweissung
30
Mögliche Elektrische Störungen
30
8 Ordentliche Wartung
30
9 Allgemeine Informationen zu den Schweissungen
31
Schweißen mit Mantelelektroden (MMA)
31
WIG-Schweißen (Kontinuierlicher Lichtbogen)
31
Français
33
1 Securite
34
Protection Personnelle Et des Autres Personnes
34
Prévention Contre Le Risque D'incendia Et D'explosion
34
Protection Contre Les Fumées Et Les Gaz
34
Positionnement du Générateur
34
Lnstallation de L'appareil
34
2 Compatibilite Electromagnetique
35
(Emc)
35
Lnstallation, Utilisation Et Évaluation de la Zone
35
Méthodes de Réduction des Émissions
35
3 Analyse de Risque
35
4 Presentation de la Machine
36
Tableau des Commandes Avant FP126
36
Tableau des Commandes Avant FP127
37
Tableau de Commande Arrière
37
Ldentification
38
Caractéristiques Techniques
38
5 Transport - Dechargement
38
6 Installation
38
Branchement Electrique Au Secteur
38
Raccordement des Outillages
38
7 Defauts Et Causes
40
Possibles Defauts de Soudure en MMA
40
Possibles Defauts de Soudure en TIG
40
Possibles Problemes Electriques
40
8 Maintenance Ordinaire
40
9 Informations Générales Concernant Les Soudures
41
Soudage Par Électrode Enrobée (MMA)
41
Soudage TIG (Arc en Soudure Continue)
41
Español
43
1 Seguridad
44
Protección Personal y de Terceros
44
Prevención contra Incendios/Explosiones
44
Protección contra Los Humos y Gases
44
Colocación del Generador
44
Instalación del Equipo
44
2 Compatibilidad Electromagnética (Emc)
45
Instalación, Uso y Evaluación del Área
45
Métodos de Reducción de las Emisiones
45
3 Análisis de Riesgo
45
4 Presentación de la Máquina
46
Tablero de Mandos Delantero FP 126
46
Tablero de Mandos Delantero FP 127
47
Panel de Comandos Traseros
47
Identificación
48
Características Técnicas
48
5 Transporte - Descarga
48
6 Instalación
48
Conexión Eléctrica a la Red
48
Conexión de Los Equipamientos
48
7 Problemas - Causas
50
Posibles Defectos de Soldadura en MMA
50
Posibles Defectos de Soldadura en TIG
50
Posibles Incovenientes Eléctricos
50
8 Mantenimiento Ordinario
50
9 Informaciones Generales sobre las Soldaduras
51
Soldaduras con Eléctrodo Recubierto (MMA)
51
Soldadura TIG (Arco Continuo)
51
Português
53
1 Segurança
54
Protecção Do Operador E de Terceiras Pessoas
54
Prevenção contra Incêndios/Explosões
54
Protecção contra Fumos E Gases
54
Colocação Do Gerador
54
Instalação da Unidade
54
2 Compatibilidade Electromagnética (Emc)
55
Instalação, Utilização E Estudo da Área
55
Métodos de Redução das Emissões
55
3 Análise Dos Riscos
55
4 Apresentação da Máquina
56
Painel de Comandos Frontal FP
56
Painel de Comandos Frontal FP
57
Painel de Comandos Traseiro
57
Identificação
58
Características Técnicas
58
5 Transporte - Descarga
58
6 Instalação
58
Conexão Eléctrica Á Rede de Fornecimento Eléctrico
58
Ligação Dos Equipamentos
58
7 Problemas - Causas
60
Possivéis Defeitos Em Soldadura MMA
60
Possivéis Defeitos Em Soldadura TIG
60
Possivéis Falhas Eléctricas
60
8 Manutenção de Rotina
60
9 Informações Gerais sobre os Diversos Processos de Soldadura
61
Soldadura Com Eléctrodo Revestido (MMA)
61
Soldadura TIG (Arco Contínuo)
61
Dutch
63
Default Chapter
63
Nederlands
63
1 Veiligheid
64
Bescherming Van Operator en andere Personen
64
Voorzorgen Tegen Brand en Explosie
64
Voorzorgen Tegen Rook en Gassen
64
Plaatsen Van de Generator
64
Installeren Van Het Toestel
64
2 Elektromagnetische Compatibiliteit (Emc)
65
Installatie, Gebruik en Evaluatie Van de Zone
65
Methoden Om de Straling te Beperken
65
3 Risico Analyse
65
4 Voorstellen Van de Machine
66
Bediehingspaneel Voorzijole FP 126
66
Bediehingspaneel Voorzijole FP 127
67
Achterpaneel
67
Identificatie
68
Technische Karakteristieken
68
5 Vervoer - Afladen
68
6 Installatie
68
Netaansluiting
68
Verbinden Van Toebehoren
68
7 Storingen en Oorzaken
70
Mogelijke Storingen Bij MMA Lassen
70
Mogelijke Storingen Bij TIG Lassen
70
Mogelijke Elektrische Storingen
70
8 Onderhoud
70
9 Algemene Informatie over Lastechnieken
71
Lassen Met Beklede Elektrodes (MMA)
71
Svenska
73
1 Säkerhet
74
Personligt Skydd Och Skydd För Tredje man
74
Skydd Mot Bränder/Explosioner
74
Skydd Mot Rök Och Gas
74
Generatorns Placering
74
Installation Av Utrustningen
74
2 Elektromagnetisk Kompatibilitet
75
Installation, Drift Och Omgivningsbedömning
75
Metoder För Att Minska Emissionerna
75
3 Riskanalys
75
4 Beskrivning Av Svetsaggregatet
76
Främre Kontrollpanel FP 126
76
Främre Kontrollpanel FP 127
77
Bakre Kontrollpanel
77
Identifiering
78
Tekniska Data
78
5 Transport - Avlastning
78
6 Installation
78
Anslutning Till Elnätet
78
Anslutning Av Utrustning
78
7 Problem - Orsaker
80
Tänkbara Fel VID MMA-Svetsning
80
Tänkbara Fel VID TIG-Svetsning
80
Tänkbara Elektriska Störningar
80
8 Löpande Underhåll
80
9 Allmän Information Om
81
Svetsningen
81
Svetsning Med Belagd Elektrod (MMA-Svetsning)
81
TIG-Svetsning (Kontinuerlig Båge)
81
Dansk
83
1 Sikkerhed
84
Personlig Beskyttelse Og Beskyttelse Af Andre
84
Forebyggelse Af Brand/Eksplosion
84
Beskyttelse Mod Røg Og Gas
84
Placering Af Strømkilden
84
Installering Af Apparatet
84
2 Elektromagnetisk Kompatibilitet (Emc)
85
Installering, Brug Og Vurdering Af Området
85
Metoder Til Reducering Af Udsendelser
85
3 Risikoanalyse
85
4 Præsentation Af Svejsemaskinen
86
Betjeningspanel Foran FP 126
86
Betjeningspanel Foran FP 127
87
Betjeningspanel Bagpå
87
Identifikation
88
Tekniske Karakteristika
88
5 Transport - Aflæsning
88
6 Installering
88
Elektrisk Tilslutning Til Elnettet
88
Tilslutning Af Udstyr
88
7 Problemer-Årsager
90
Mulige Svejsefejl Ved MMA
90
Mulige Svejsefejl Ved TIG
90
Mulige Elektriske Fejl
90
8 Almindelig Vedligeholdelse
90
9 Generelle Oplysninger Om Svejsningerne
91
Svejsning Med Beklædt Elektrode (MMA)
91
TIG-Svejsning (Kontinuerlig Lysbue)
91
Norsk
93
1 Sikkerhet
94
Personlig Beskyttelse Og Beskyttelse Av Tredje man
94
For Å Forebygge Brann/Eksplosjoner
94
Beskyttelse Mot Røyk Og Gass
94
Plassering Av Generatorn
94
Installasjon Av Maskinen
94
2 Elektromagnetisk Kompatibilitet (Emc)
95
Installasjon, Bruk Og Vurdering Av Området
95
Metoder for Å Minke Støy
95
3 Risikoanalyse
95
4 Presentasjon Av Sveisemaskinen
96
Kontrollpanel Foran FP 126
96
Kontrollpanel Foran FP 127
97
Bakre Styringspanel
97
Identifikasjon
98
Tekniske Egenskaper
98
5 Transport - Avlasting
98
6 Installasjon
98
Elektrisk Tilkobling Til El-Nettet
98
Tilkobling Av Utstyr
98
7 Problem - Årsaker
100
Mulige MMA-Sveisedefekter
100
Mulige TIG-Sveisedefekter
100
Mulige Elektriske Problemer
100
8 Ordinært Vedlikehold
100
9 Generell Informasjon Om Sveising
101
Sveising Med Bekledt Elektrode (MMA)
101
TIG-Sveising (Kontinuerlig Bue)
101
Suomi
103
1 Turvallisuus
104
Käyttäjän Ja Ulkopuolisten Henkilöiden Suojaaminen
104
Tulipalon Tai Räjähdyksen Ehkäisy
104
Suojautuminen Höyryiltä Ja Kaasuilta
104
Virtalähteen Sijoittaminen
104
Laitteiden Asennus
104
2 Elektromagneettinen Yhteensopivuus (Emc)
105
Asennus, Käyttö Ja Alueen Tarkistus
105
Päästöjen Vähentäminen
105
3 Riskianalyysi
105
4 Laitteen Esittely
106
Etuohjauspaneeli FP 126
106
Etuohjauspaneeli FP 127
107
Takasäätöpaneeli
107
Tunnistetiedot
108
Tekniset Arvot
108
5 Kuljetus - Purkaminen
108
6 Asennus
108
Liitäntä Sähköverkkoon
108
Varusteiden Kytkeminen
108
7 Ongelmat - Syyt
110
Mahdolliset Virheet Puikkohitsauksessa
110
Mahdolliset Virheet TIG-Hitsauksessa
110
Mahdolliset Sähköiset Viat
110
8 Rutiinihuoltotoimenpiteet
110
9 Yleisiä Ohjeita Erilaisiin Hitsausmenetelmiin
111
Puikkohitsaus (MMA)
111
TIG-Hitsaus (Jatkuva Kaari)
111
Arvokilpi
123
Ma, Oversigt, Skjema, Kytkentäkaavio
124
Ma, Oversigt, Skjema, Kytkentäkaavio
125
Related product manuals
Selco Genesis 282-352
130 pages
Selco Genesis 282-352-503 PME
144 pages
Selco genesis 282 GSM
174 pages
Selco Genesis 284 PSR
304 pages
Selco Genesis 240
82 pages
Selco Genesis 2000
178 pages
Selco Genesis 245 TLH
129 pages
Selco Genesis 200 TLH
48 pages
Selco Genesis 2200 MTE
388 pages
Selco Genesis 2700 TLH
272 pages
Selco Genesis 200 AC-DC
48 pages
Selco Genesis G 200 TLH
185 pages