EasyManua.ls Logo

Sentry Sample Sequencer 6 - Page 18

Sentry Sample Sequencer 6
44 pages
Print Icon
To Next Page IconTo Next Page
To Next Page IconTo Next Page
To Previous Page IconTo Previous Page
To Previous Page IconTo Previous Page
Loading...
18 Sentry Equipment Corp
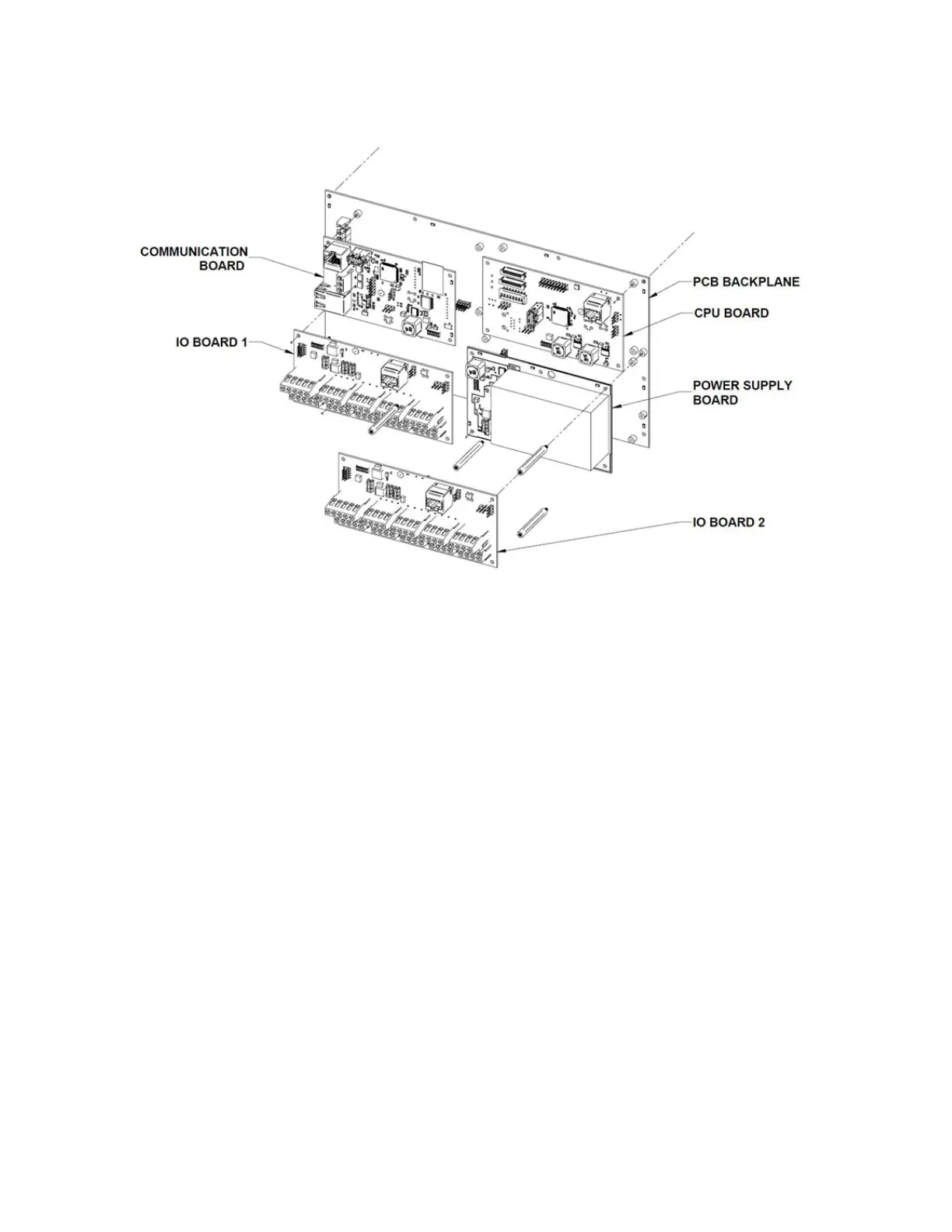
Figure 7. Sequencer board connections

Related product manuals