EasyManua.ls Logo

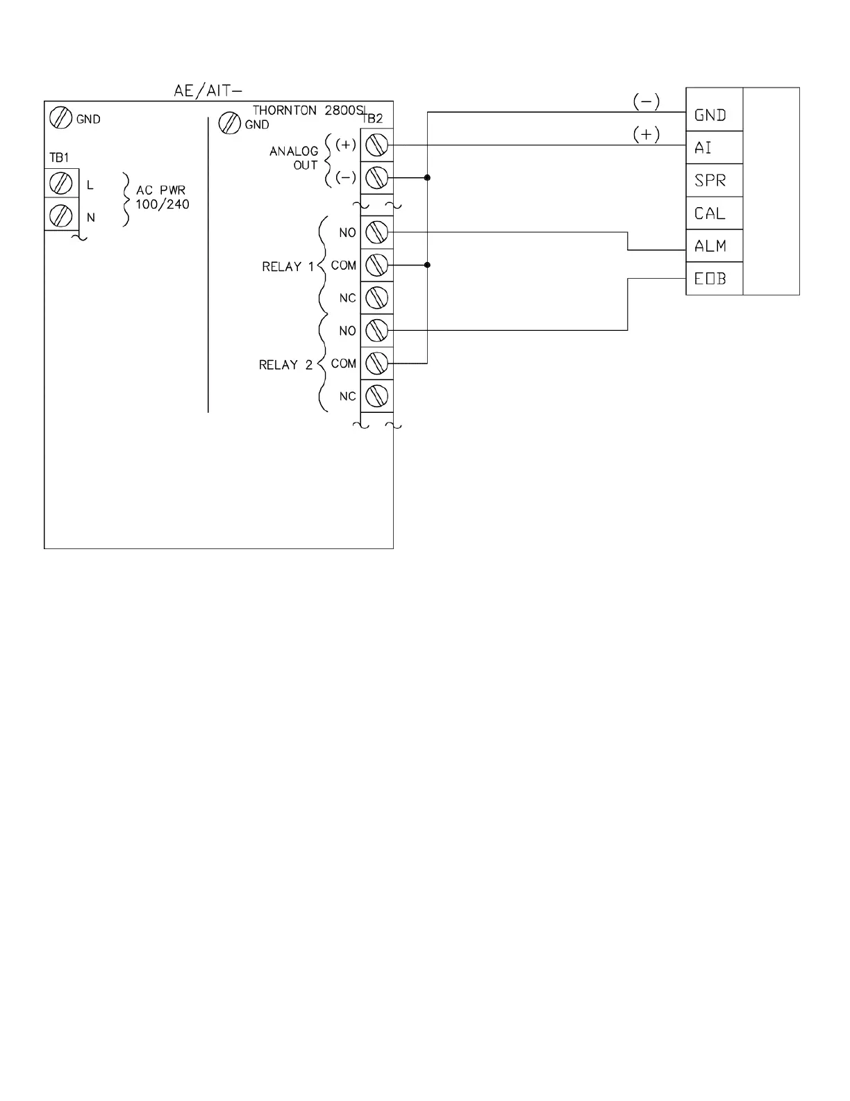
Sentry Sample Sequencer 6 - Thornton 2800 Si Silica Analyzer

Sentry Sample Sequencer 6
44 pages
Print Icon
To Next Page IconTo Next Page
To Next Page IconTo Next Page
To Previous Page IconTo Previous Page
To Previous Page IconTo Previous Page
Loading...
38 Sentry Equipment Corp
Thornton 2800Si Silica Analyzer

Related product manuals