EasyManua.ls Logo

Sentry Sample Sequencer 6 - MEASURE on Relay 4

Sentry Sample Sequencer 6
44 pages
Print Icon
To Next Page IconTo Next Page
To Next Page IconTo Next Page
To Previous Page IconTo Previous Page
To Previous Page IconTo Previous Page
Loading...
34 Sentry Equipment Corp
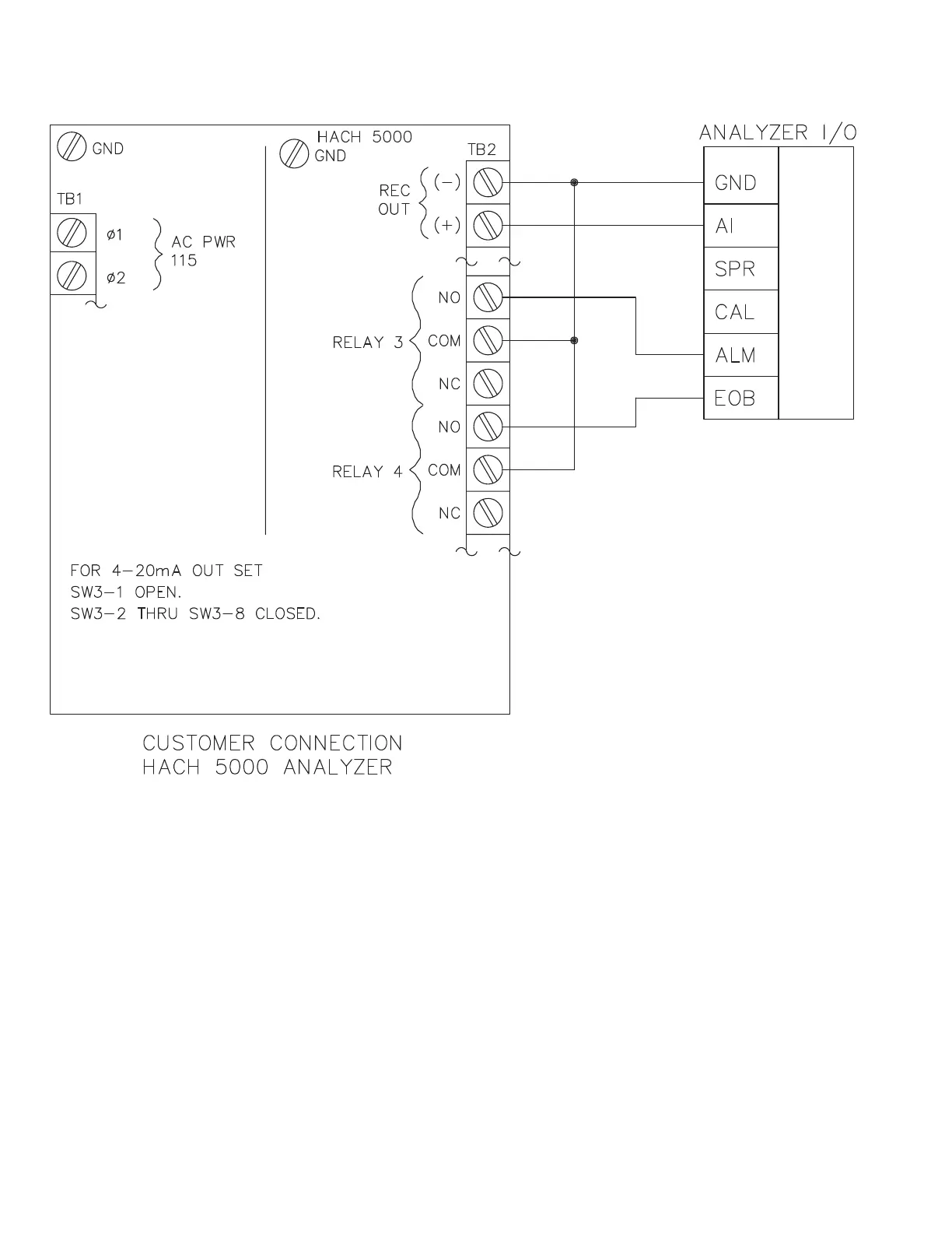
congure the End-of-Measurement contact closure on the Hach 5000.
Figure B-1. Wiring to a Hach Series 5000 Analyzer
Conguring the Series 5000 (Catalog No. 60000-XX through 60004-XX) for
MARK END OF MEASURE on Relay 4
1. Remove the front cover of the control module. Move the No. 1 DIP switch on SW1 to the ON position. This enables
the Extended Diagnostic menu. (Switch SW1 is an 8-switch DIP located near the center of the circuit board.)
2. Return to the front of the control panel and press the TEST key. Using the NEXT key, scroll through the diagnostic
menu to MARK END OF MEAS. Press ENTER and select ENABLE with the NEXT key. Then, press ENTER. This activates
the MARK END OF MEASURE contact closure.
3. Turn OFF switch No. 1 on switch bank SW1 of the circuit board. This returns the analyzer to normal operation but
leaves the MARK END OF MEASURE function enabled.

Related product manuals