EasyManua.ls Logo

Sharp UP-600 - Chapter 7. Tcp;Ip I;F Pwb Description

Sharp UP-600
121 pages
Print Icon
To Next Page IconTo Next Page
To Next Page IconTo Next Page
To Previous Page IconTo Previous Page
To Previous Page IconTo Previous Page
Loading...
CHAPTER 7. TCP/IP I/F PWB DESCRIPTION
1. GENERAL DESCRIPTION
This control board is an Ethernet board that supports the TCP/IP
protocol.
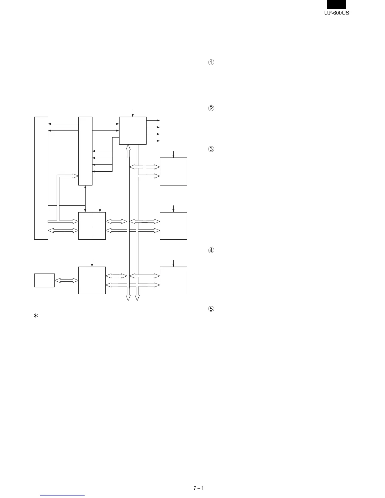
2. BLOCK DIAGRAM
When writing data into FLASH, switch /CS0to EP-ROM and /CS3
to FLASH Memory.
3. CONFIGURATION
CPU :
[HitachiSH-2 Series SH7014 (20MHz)]
As external memory spaces, CS0 - CS3 and DRAM space are pro-
vided. This board assigns FLASH Memory to CS0, SRAM to CS1,
dual-port SRAM to CS2, and LAN controller to CS3.
LAN Controller : [RealtekRTL8019AS(20MHz)]
LAN controller is assigned to CS space.
Because of pseudo ISA connection, each register is assigned to ad-
dresses of H00C00300 and after.
ROM(FLASH Memory) :
[SharpLH28F004BVT(4Mbits)]
<Access Time = 90ns>
ROM (FLASH Memory) is assigned to CS0 space.
Data is written onto FLASH Memory from UV-EPROM by switching
the CSO space to UV-EPROM and the CS3 space to FALSH Mem-
ory.
MAC Address is written on FLASH Memory.
Company code is assigned to "08001FH".
The serial number and adjustment byte are stored in an area of 4
bytes from the address H’0007C000.
<The serial number is acquired according to Sharp’s in-house
specification(SS).>
RAM : [S-RAM 1Mbits]<Access Time=70ns>
Assigned to CS1 space.
[IDT Dual-Port SRAM IDT7134]<Access Time=55ns>
Assigned to CS2 space.
The IDT7134 does not have any LOGICiBusy or Semaphorej, access
to the same address from both sides is inhibited.
Pulse Trans : [Pulse78Z034]
It is used for the 10Base-T standard and has a choke coil built in at
the output side.
Dual-Port
RAM
4k byte
CN
RJ-45
Data Bus
Address Bus
Data Bus
LOGIC
/CS1
/CS2
/INTHR
/INTHW
/INTSR
/INTSW
10MHz
/CS0
/CS0
/CS3
/CS3
/CS2
/CS1
/CS0
/HWACK
/HRACK
/SWRQ
/SRRQ
CPU
(SH-2)
/DPCS,
/WR,/RD
Address
Bus
LD0~LD7
LA0~LA11
FLASH
512k byte
LD0~LD7
LA0~LA18
LD0~LD7
LA0~LA18
SRAM
128k byte
LD0~LD7
LA0~LA19
LD0~LD7
LA0~LA18
LAN Cnt.
(8bit-Bus)
EP-ROM
(Writing in
to FLASH)
512k byte

Other manuals for Sharp UP-600

Related product manuals