EasyManua.ls Logo

Sharp VC-V50S - Disassembling the Mechanism;Main Pwb Assembly

Sharp VC-V50S
74 pages
Print Icon
To Next Page IconTo Next Page
To Next Page IconTo Next Page
To Previous Page IconTo Previous Page
To Previous Page IconTo Previous Page
Loading...
VC-V50S
VC-V80T
VC-V91T
4
11
17
12
13
15
15
16
14
VC-V50S Only
VC-V91T Only
18
11
12
13
VC-V80T/V91T Only
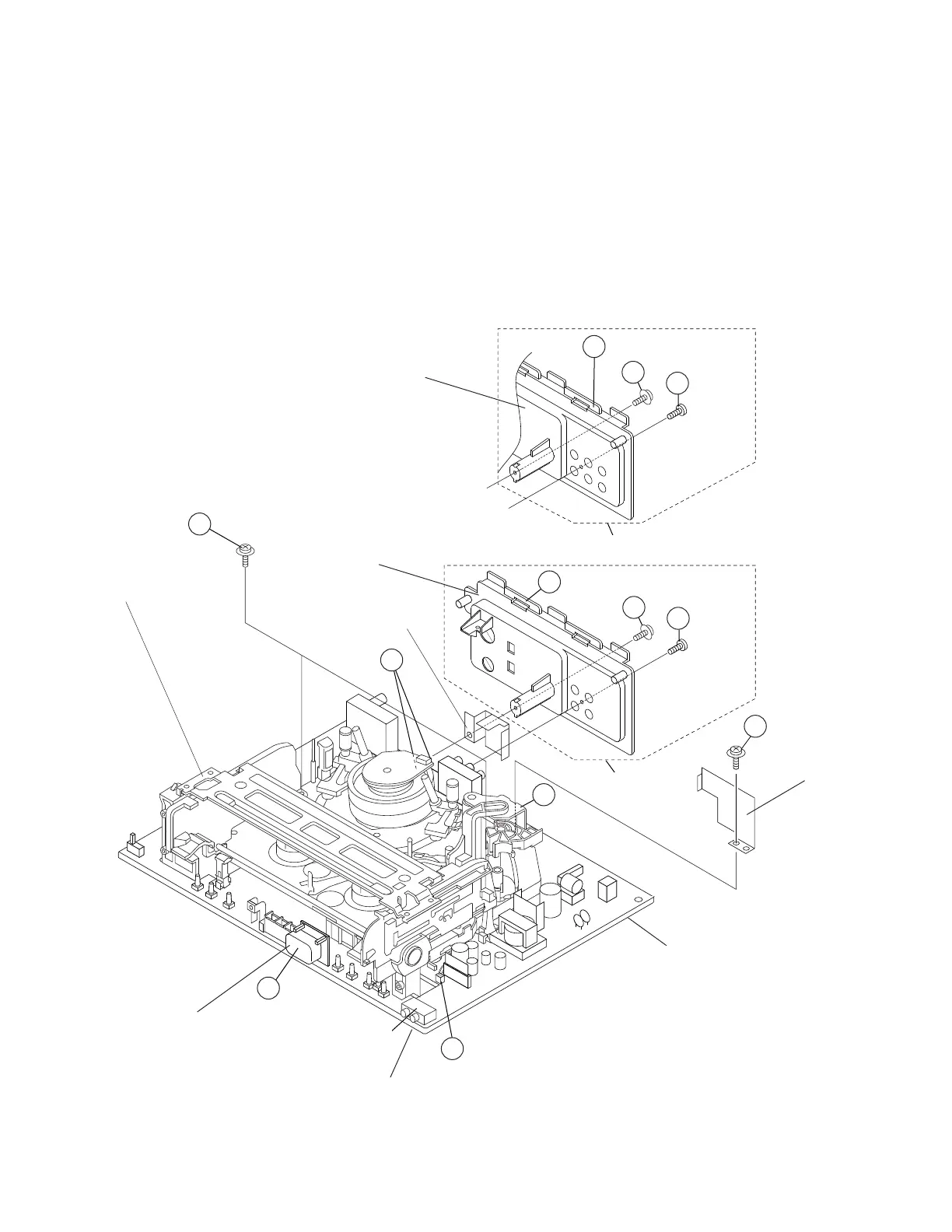
2-2 DISASSEMBLING THE MECHANISM/MAIN PWB ASSEMBLY
ANTENNA : Remove 1 Hook q, 1 screw w and 1
TERMINAL COVER
screw e.
Remove the H/A shield case.
LED PWB : Take it out of connector r.
HOLDER
MECHANISM : Remove 3 FFCs t and 1 harness y.
CHASSIS/ Be carefull not to confuse the top
CASSETTE and bottom of the FFC.
HOUSING Remove the mechanism chassis assem-
ASSEMBLY bly straight up from the main PWB with
care not to damage theirs urrounding
parts.
CASSETTE : Remove 2 screws u.
HOUSING
SHIELD PLATE : Remove 1 screw i.
CASSETTE
HOUSING
LED PWB HOLDER
MAIN PWB
MECHANISM
CHASSIS
SHIELD PLATE
H/A SHIELD
CASE
XHPSD30P06WS0
ANTENNA
TERMINAL
COVER
LX-HZ3087GEFN
XEBSD30P12000
LX-HZ3087GEFN
XEBSD30P12000
ANTENNA
TERMINAL
COVER

Table of Contents

Related product manuals