EasyManua.ls Logo

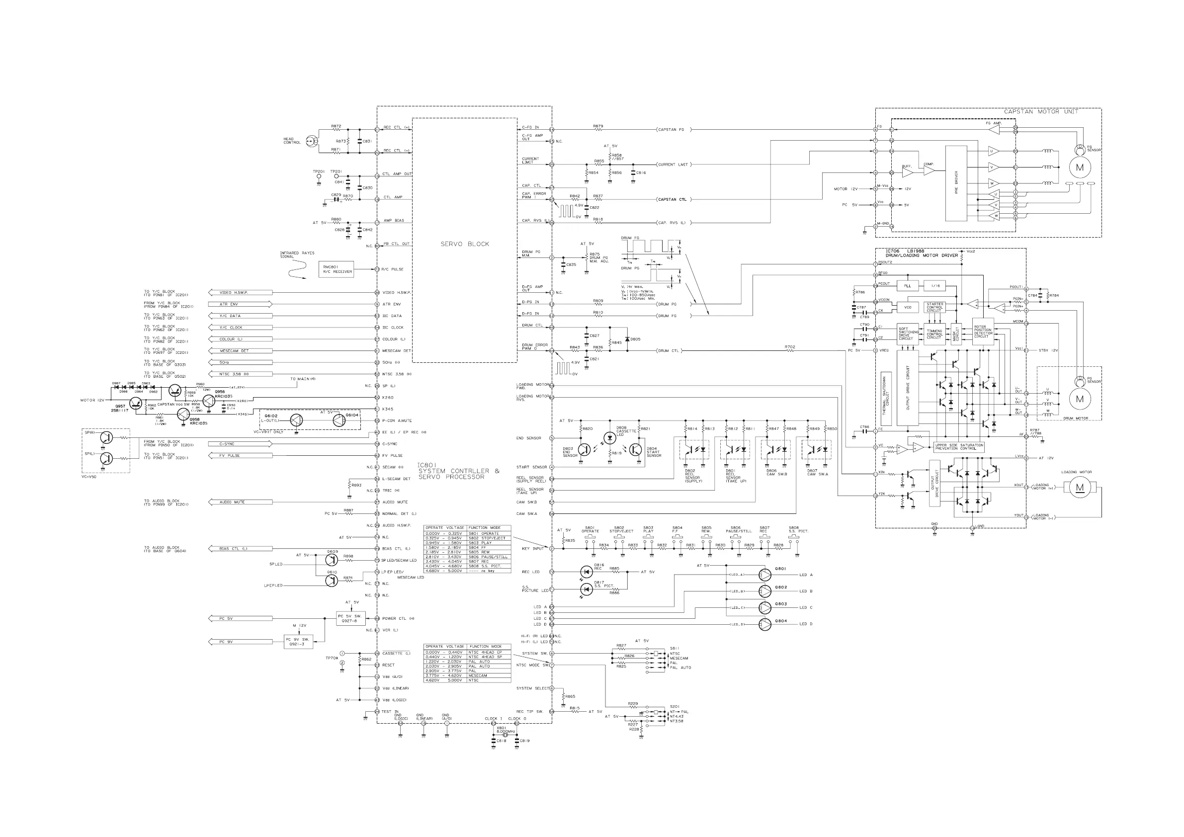
Sharp VC-V50S - Block Diagram; System Servo Block Diagram

Sharp VC-V50S
74 pages
Print Icon
To Next Page IconTo Next Page
To Next Page IconTo Next Page
To Previous Page IconTo Previous Page
To Previous Page IconTo Previous Page
Loading...
VC-V50S
VC-V80T
VC-V91T
8. BLOCK DIAGRAM
SYSTEM SERVO BLOCK DIAGRAM
46~47

Table of Contents

Related product manuals