EasyManua.ls Logo

Sharp VC-V50S - Page 53

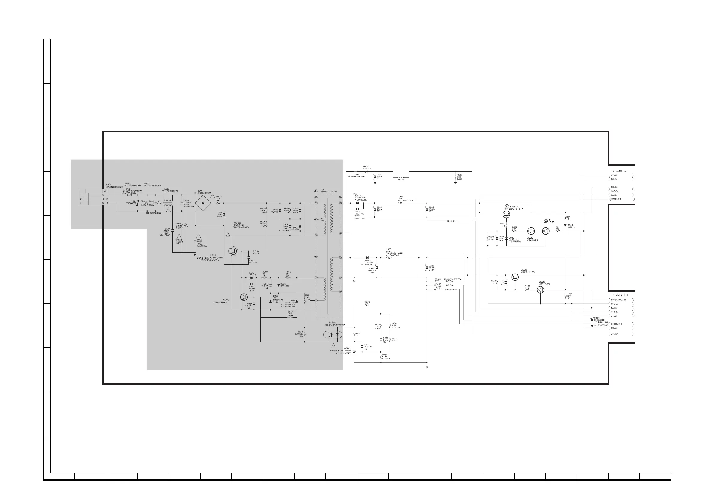
Sharp VC-V50S
74 pages
Print Icon
To Next Page IconTo Next Page
To Next Page IconTo Next Page
To Previous Page IconTo Previous Page
To Previous Page IconTo Previous Page
Loading...
VC-V50S
VC-V80T
VC-V91T
58~59
1234567891011 12 13 14 15 16 17 18 19 20
A
B
C
D
E
F
G
H
I
J
* VOLTAGE MEASUREMENT MODE
PB .......... Parentheses ( )
REC ....... Without Parentheses
MAIN CIRCUIT(4)

Table of Contents

Related product manuals