EasyManua.ls Logo

Sharp XG-PH70X - Page 150

Sharp XG-PH70X
208 pages
Print Icon
To Next Page IconTo Next Page
To Next Page IconTo Next Page
To Previous Page IconTo Previous Page
To Previous Page IconTo Previous Page
Loading...
XG-PH70X/XG-PH70X-N (1st. Edition)
8 – 68
1
23
4567 910
8
J
A
B
C
D
E
F
G
H
I
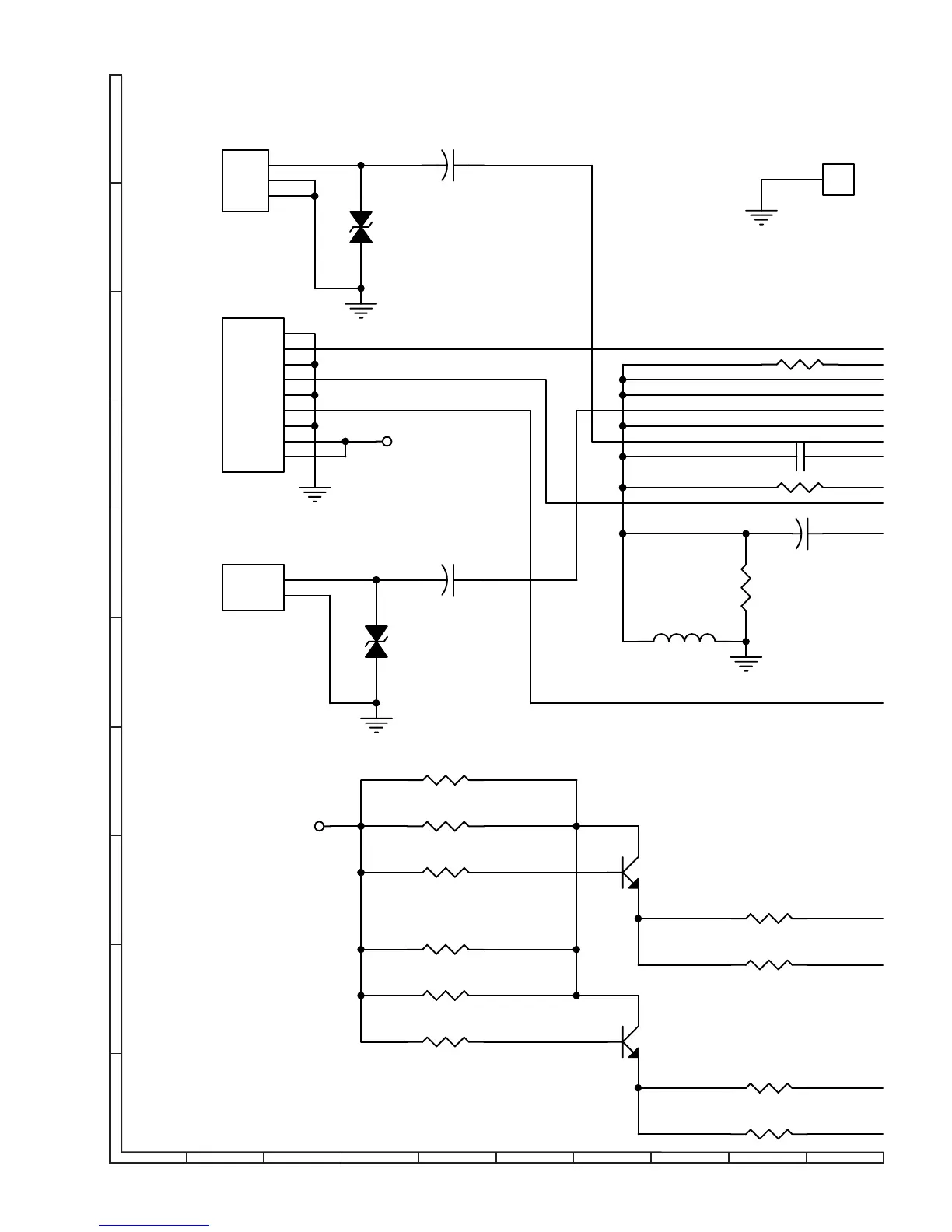
AUDIO Unit
B+16V
B+16V
R1516 0,1W 251
2
+
C1506 470U/25V
CN1501
A2001WR2-2P
1
2
L
GND
Q1502
2SD1664
1
3 2
R1502 0,1W 2512
CN1503
85204-0900
1
2
3
4
5
6
7
8
9
GND
L
GND
R
GND
S-MUTE
GND
B+16V
B+16V
R1503 820 0603
CN1502
A2001WR2-3P
1
2
3
R
GND
GND
+
C1505 1KU/16V
R1514
0,1W 2512
FB1501
00805
R1517 0,1W 251
2
R1504 820 0603
R1509 3.9K 0
6
D1501
EV18P
0603
SC12
1
1
Q1501
2SD1664
1
3 2
R1515 0,1W 2512
R1506 0,1W 251
2
R1507 3.9K 060
3
R1505 0,1W 251
2
+
C1503 1KU/16V
D1502
EV18P
0603
R1501 0,1W 2512
R1510
0
0603
C1504 0.1U 0
6

Table of Contents

Other manuals for Sharp XG-PH70X

Related product manuals