EasyManua.ls Logo

Sharp XG-PH70X - Page 155

Sharp XG-PH70X
208 pages
Print Icon
To Next Page IconTo Next Page
To Next Page IconTo Next Page
To Previous Page IconTo Previous Page
To Previous Page IconTo Previous Page
Loading...
XG-PH70X/XG-PH70X-N (1st. Edition)
8 – 73
11 1312 14 15 16 18 1917
S-R
S-L
VAO_LINE
RX+ 1
SH2SCL1
S_R 1
SH2SD A1
R1
RX- 1
1
S_L 1
RGB_DVI 1
LED_LINK
PC1_PC21
TX+ 1
TX- 1
PWFB
RGB_DVI1
L1
LED_10_100BASE 1
1
B+12VM
B
414
B+12VM
B+12VM_FB414
B+3V3VAT
B+12VM_FB414
B+12VM_FB414
B+5VM
B+12VM_FB414
B+12VM
4
D458
EV18P
0603
R447
10K
0603
R453
10K
0603
R9429 75 0603
D459
EV18P
0603
R445
1K
0603
R9427
0
0805
C9454
NC
0603
R454
10K
0603
R9421
0
0805
SC3
CON9
1
2
3
4
5
6
7
8
9
C431
0.1U
0603
R455
100
0603
R9428
0
0805
C426
0.1U
0603
R428
100
0603
R9432 75 0603
R423
15K
0603
D463
EV18P
0603
R9431 75 0603
R427
100
0603
R9408
NC
0603
R2907
10K
0603
SC2
CON9
1
2
3
4
5
6
7
8
9
C9403
NC
0603
R2903 100
0603
FB414
0059CE
0805
R422
10K
0603
R426
10K
0603
R458
1K
0603
C421
10U/16V(NP)
+C432
47U/25V
R437
100
0603
C429
1000P
0603
8
3
0
3
R9404 560 1206
R9424
0
0805
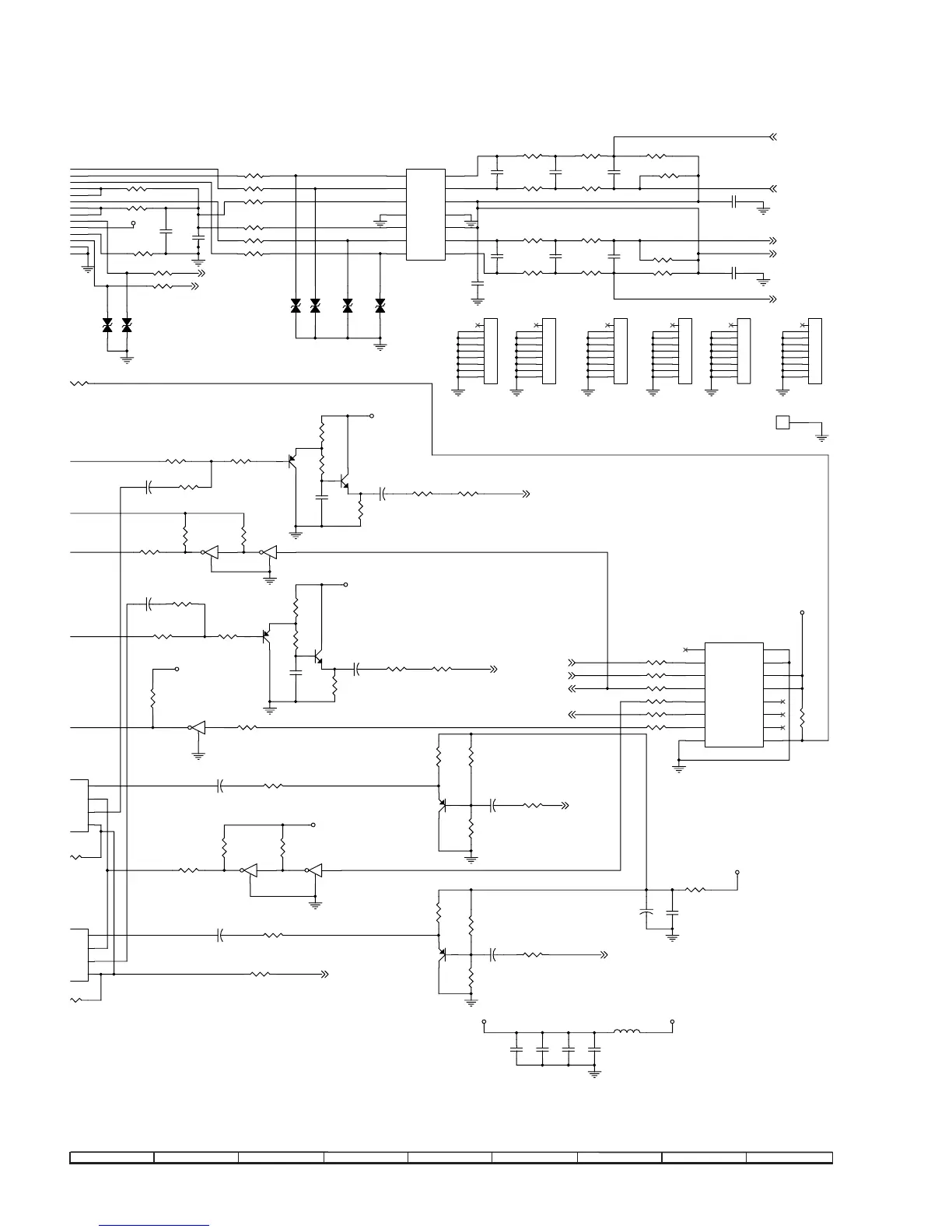
IC2901
M62320FP
1
2
3
4
5
6
7
8 9
10
11
12
13
14
15
16
SO
SCL
SDA
PC1/PC2
VAO/LINE
RGB/DVI
V/RGB
GND S/VIDEO
NC
NC
NC
VDD
CS2
CS1
CS0
R2904 100 0603
C9458
0.01U/50V
0603
R9412 0 0603
C445
10U/16V (AL)
R9411 560 1206
R2905 100 0603
R425
10K
0603
R436
6.8K
0603
4
5M
1
2
3
4
VIN1
SW1
VIN2
SW2
C422
10U/16V(NP)
R421
10K
0603
R440
5.6K
0603
4
5M
1
2
3
4
VIN1
SW1
VIN2
SW2
R418
10K
0603
R9407
NC
0603
R449
100
0603
C425
10U/16V(NP)
SC7
1
1
C9462
0.1U
0603
R415
1.8K
0603
R2901 100 0603
C447
10U/16V (AL)
R416
10K
0603
R2902 100 0603
Q408
MMBT3906
1
23
R
485
1
00
0
603
Q411
DTC114EU A
23
1
SC4
CON9
1
2
3
4
5
6
7
8
9
R457
10K
0603
C442
0.1U
0603
C444
0.1U
0603
Q401
DTC114EUA
23
1
4
01A
D
010-003
10
9
8
7
6
5
4
3
2
1
11
12
13
14
R9426
0
0805
R443
2.7K
0603
Q402
DTC114EUA
23
1
Q407
MMBT3906
1
23
R448
10K
0603
R9405 0 0603
D461
EV18P
0603
SC1
CON9
1
2
3
4
5
6
7
8
9
R9415
NC
0603
C446
10U/16V (AL)
R9401 0 0603
Q405
MMBT3906
1
23
D460
EV18P
0603
R9423
0
0805
R9422
0
0805
C9459
NC
0603
R452
100
RSRC2010
R9418
NC
0603
C427
10U/16V(NP)
C9400
NC
0603
Q406
MMBT3904
1
2 3
R429
5.6
RSRC2010
R417
15K
0603
R450
2.7K
0603
T9401
TLA-6T207C
1
3
2
4
5
6
7
14
13
12
11
10
9
8
TX-
3
TX+
4
5
RX-
RX+
OTX-
OTX+
12
11
10
ORX-
ORX+
C428
0.1U
0603
C9457
NC
0603
D462
EV18P
0603
R2906 100 0603
R441
1K
0603
R9430 75 0603
R9402 0 0603
SC6
CON9
1
2
3
4
5
6
7
8
9
R444
5.6K
0603
SC5
CON9
1
2
3
4
5
6
7
8
9
C448
10U/16V (AL)
C9452
NC
0603
C9453
NC
0603
R442
6.8K
0603
R9403 0 0603
C424
0.1U
0603
Q404
DTC114EUA
23
1
R451
2.2K
0603
8
2
0
3 Q403
DTC114EUA
23
1
R456
100
RSRC2010
Q409
MMBT3904
1
2 3
C9456
NC
0603
Q410
MMBT3906
1
23
R9425
0
0805
R420
1.8K
0603
R446
2.2K
0603
R484
NC
0603
C9455
NC
0603
R432
100
0603
ήᭂᕈ
ήᭂᕈ
ήᭂᕈ
ήᭂᕈ

Table of Contents

Other manuals for Sharp XG-PH70X

Related product manuals