EasyManua.ls Logo

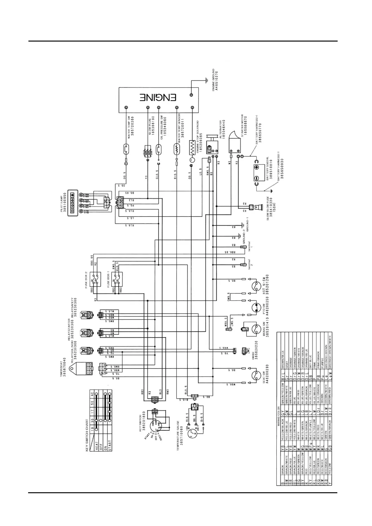
Shibaura SG280B - Wiring Diagram

Shibaura SG280B
156 pages
Print Icon
To Next Page IconTo Next Page
To Next Page IconTo Next Page
To Previous Page IconTo Previous Page
To Previous Page IconTo Previous Page
Loading...
72 73
Section 11 Others
4. Wiring Diagram

Table of Contents

Related product manuals