EasyManua.ls Logo

Shibaura SG280B - 配線図

Shibaura SG280B
156 pages
Print Icon
To Next Page IconTo Next Page
To Next Page IconTo Next Page
To Previous Page IconTo Previous Page
To Previous Page IconTo Previous Page
Loading...
72 73
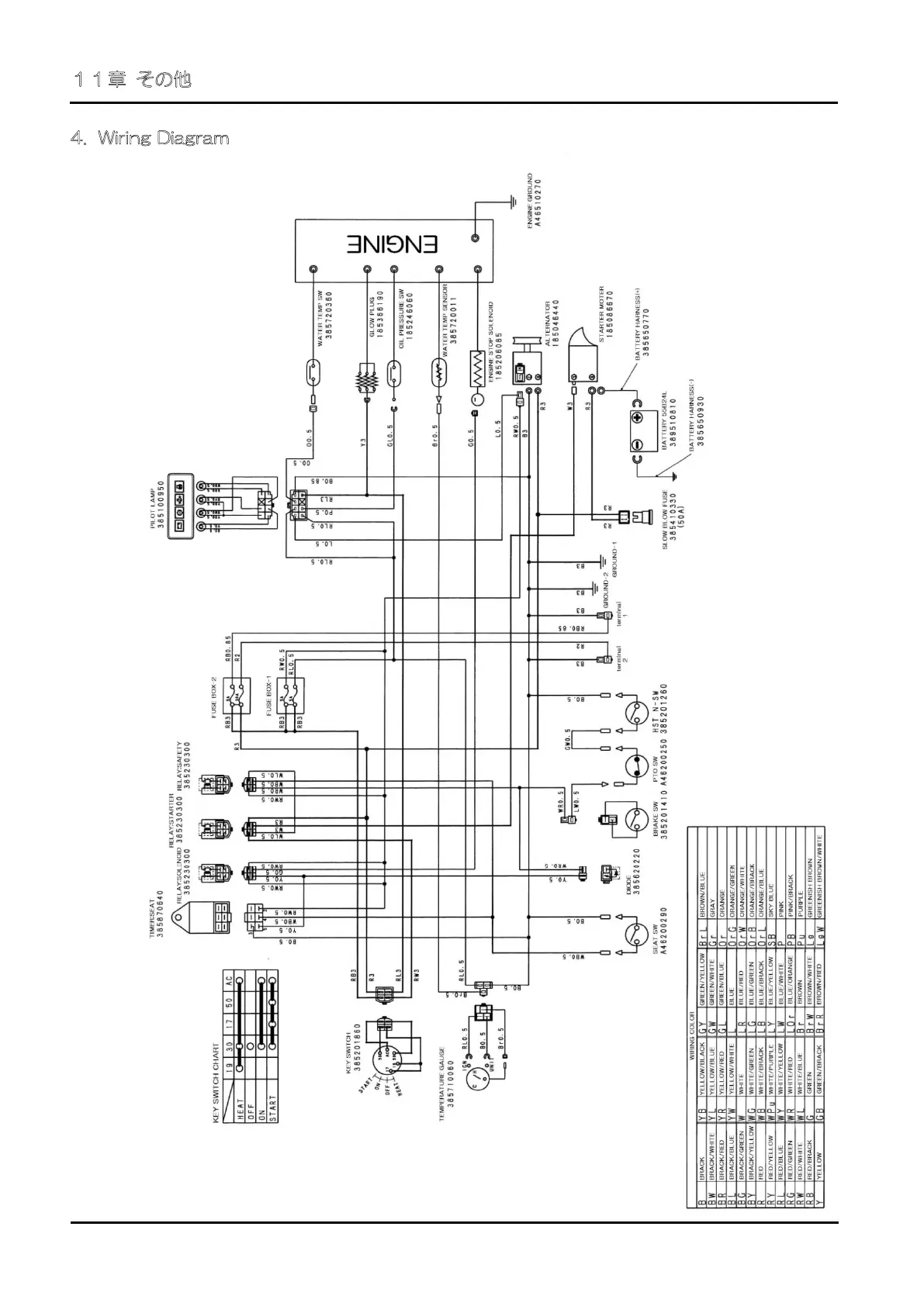
11章 の他
4
. Wiring Diagram

Table of Contents

Related product manuals