EasyManua.ls Logo

Siemens 6SE7038-2EH85-1AA0 - Page 51

Siemens 6SE7038-2EH85-1AA0
274 pages
To Next Page IconTo Next Page
To Next Page IconTo Next Page
To Previous Page IconTo Previous Page
To Previous Page IconTo Previous Page
Loading...
09.02 Connection
Siemens AG 6SE7087-6AK85-1AA0
3-29
Rectifier/Regenerating Unit Operating instructions
R25+R22
-
+
AAKK
AAKK
AAKK
V15+V12
G2
G1
V13+V16
G2
G1
V11+V14
G2
G1
X30-1
X30-2
X48-3
X48-1
X48-4
X48-2
X47-1
X47-3
X47-4
X47-2
X13-1
X13-2
X16-2
X16-1
X15-1
X15-2
X12-2
X12-1
X11-1
X11-2
X14-2
X14-1
k
l
X1: C/L+
X1: D/L-
K
L
K
L
l
F10
M
1~
Ď‘
X239
k
k
l
K
L
K
L
l
k
R76
R78
R75
R77
F2
T3,2A
X9-4
X9-3
X9-5
F1
T2A
X9-1
X9-2
K1-2
1U2.1
1U2.2
1V2.1
1V2.2
1W2.1
1W2.2
U1.1
U1.2
V1.1
V1.2
W1.1
W1.2
C
D
R80R79
F4
T2A
X29-2
X29-1
X29-3
F3
T2A
X19-1
X19-2
K101-2
230V~
N.C.
X4: 1U2/ 1V2/ 1W2/
1T1 1T2 1T3
X1: U1/ V1/ W1/
L1 L2 L3
PE
R100
E1
T3 T4
T1
T2
A23
C98043-A1682
A23
C98043-A1682
A601
C98043-A1683
A10-X109
(C98043-A1680)
R11+R14
R13+R16
R15+R12
R21+R24
R23+R26
V25+ V22V23+ V26V21+ V24
W1/L3
V1/L2U1/L1 1W2/1T3
T4
1U2/1T1
T3
1V2/1T2
C/L+ D/L-
G2
K2
G2
K2
G1
K1
G2
K2
G1
K1
G1
K1
AK
A
K
AK
A
K
AK
A
K
X24 X21 X26
X23
X22 X25
F10
V11+14 V13+16 V15+12
AK
K
AK
K
AK
K
G2 G1 G2 G1 G2 G1
X14 X11 X16 X13 X12 X15
AAA
G1 K1
G2 K2
G1 K1
G2 K2
G1 K1
G2 K2
X24-1
X24-2
V21+V24
V23+V26
V25+V22
X21-2
X21-1
X26-1
X26-2
X23-2
X23-1
X22-1
X22-2
X25-2
X25-1
KAAK
KA
AK
KAAK
T2T1
Load 1 Load 2
Termal sensor
on the heatsink
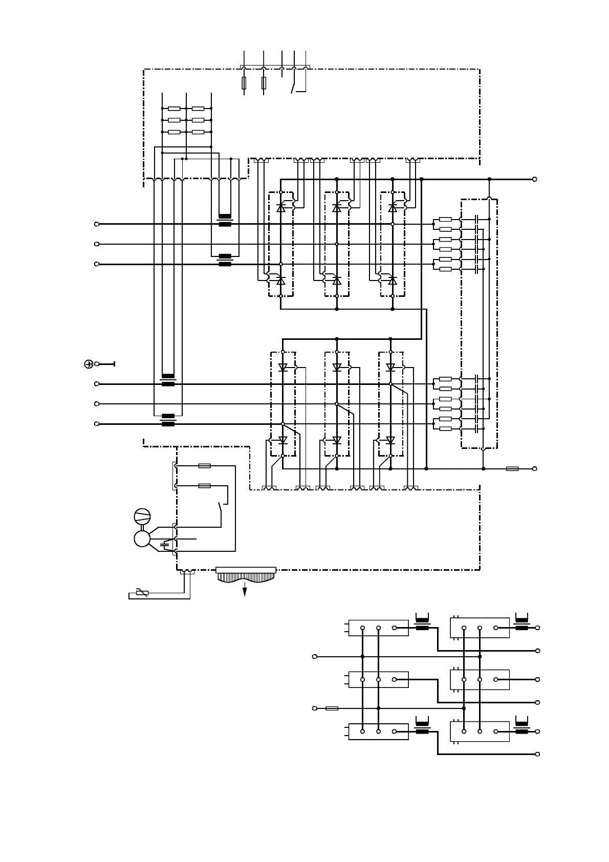
Arrangement of thyristor modules
Figure 3.18 Power section, 6SE7031-7EE85-1AA0 (380-480V / 173A)
https://www.aotewell.com
AoteWell Automation Sales Team
Sales@aotewell.com
AoteWell LTD
Buy Siemens PLC HMI Drives at AoteWell.com
https://www.aotewell.com

Table of Contents

Related product manuals