EasyManua.ls Logo

Siemens 6SE7038-2EH85-1AA0 - Page 52

Siemens 6SE7038-2EH85-1AA0
274 pages
To Next Page IconTo Next Page
To Next Page IconTo Next Page
To Previous Page IconTo Previous Page
To Previous Page IconTo Previous Page
Loading...
Connection 09.02
3-30 Siemens AG 6SE7087-6AK85-1AA0
Rectifier/Regenerating Unit Operating instructions
-
+
V25+ V22V23+ V26V2 1+ V24
X48-3
X48-2
k
l
X1: C/L+
X1: D/L-
K
L
K
L
l
F10
k
F2
T3,2A
X9-4
X9-3
X9-5
F1
T2A
X9-1
X9-2
K1-2
1U2.1
1U2.2
1V2.1
1V2.2
1W2.1
1W2.2
U1.1
U1.2
V1.1
V1.2
W1.1
W1.2
C
D
W1/L3
V1/L2U1/L1 1W2/1T3
T4
1U2/1T1
T3
1V2/1T2
C/L+ D/L-
G2
K2
G2
K2
G1
K1
G2
K2
G1
K1
G1
K1
AK
A
K
AK
A
K
AK
A
K
X24 X21 X26
X23
X22 X25
F10
G1 K1
G2 K2
G1 K1
G2 K2
G1 K1
G2 K2
K2 G2
K1 G1
K2 G2
K1 G1
K2 G2
K1 G1
X13-1
X13-2
X16-2
X16-1
X15-1
X15-2
X12-2
X12-1
X11-1
X11-2
X14-2
X14-1
X24-1
X24-2
V11+V14
V13+V16
V15+V12
V21+V24
V23+V26
V25+V22
X21-2
X21-1
X26-1
X26-2
X23-2
X23-1
X22-1
X22-2
X25-2
X25-1
A
K
AK
AK
AK
A
K
AK
KAAK
KA
AK
KAAK
X48-1
X48-4
X47-1
X47-3
X47-4
X47-2
k
l
K
L
K
L
l
k
R76
R78
R75
R77
R80R79
X30-1
X30-2
M
1~
ϑ
X239
F4
T2A
X29-2
X29-1
X29-3
F3
T2A
X19-1
X19-2
K101-2
230V~
N.C.
X4: 1U2/ 1V2/ 1W2/
1T1 1T2 1T3
X1: U1/ V1/ W1/
L1 L2 L3
PE
R100
E1
A10-X109
(C98043-A1680)
T3
T4
T1 T2
R15+R12
R11+R14
R13+R16
R25+R22
R21+R24
R23+R26
A601
C98043-A1683
A23
C98043-A1682
A23
C98043-A1682
G2
K2
G2
K2
G1
K1
G2
K2
G1
K1
G1
K1
AK
A
K
AK
A
K
AK
A
K
X14 X11 X16
X13
X12 X15
V15+ V12V13+ V16V1 1+ V14
T2T1
Load 1
Load 2
Termal sensor
on the heatsink
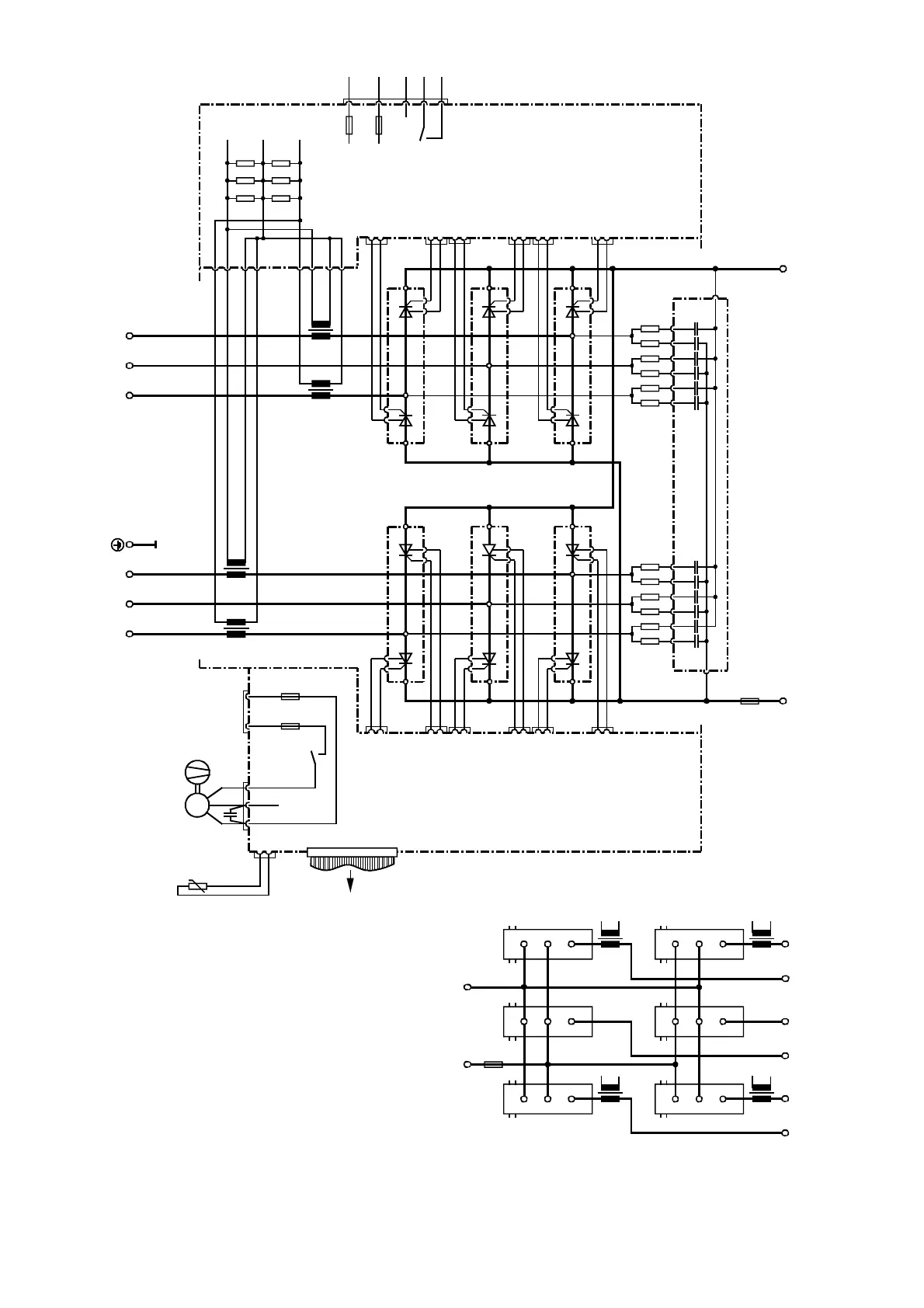
Arrangement of thyristor modules
Figure 3.19 Power section, 6SE7032-2EE85-1AA0 (380-480V / 222A)
https://www.aotewell.com
AoteWell Automation Sales Team
Sales@aotewell.com
AoteWell LTD
Buy Siemens PLC HMI Drives at AoteWell.com
https://www.aotewell.com

Table of Contents

Related product manuals