EasyManua.ls Logo

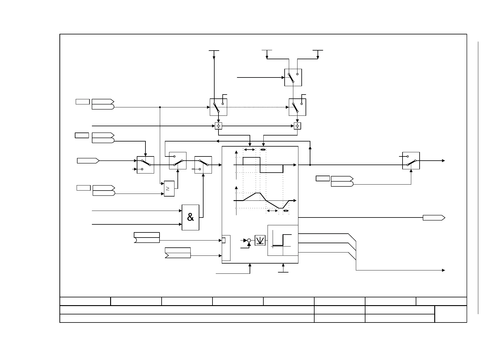
Siemens CU230P-2 HVAC - Fig. 2-65 3060 - Basic ramp-function generator

Siemens CU230P-2 HVAC
668 pages
Print Icon
To Next Page IconTo Next Page
To Next Page IconTo Next Page
To Previous Page IconTo Previous Page
To Previous Page IconTo Previous Page
Loading...
Setpoint channel
Function diagrams
2-511
© Siemens AG 2009 All Rights Reserved
SINAMICS G120 Control Units CU230P-2 Parameter Manual (LH9), 11/2009
Fig. 2-65 3060 – Basic ramp-function generator
- 3060 -
Function diagram
87654321
FP_3060_97_51.vsd
Setpoint channel
G120 CU230P-2
29.10.2009 V4.3
Basic ramp-function generator
x
t
y
t
p1082
-p1082
x
p1082
-p1082
Tup Tdn
Tup Tdn
[3050.8]
y
0
0
0
0
T
up
T
dn
0
1
x
y
[3050.5]
n_max
p1082
[3080.1]
10
0 1
0
1
1
0
0
1
10
+
[3080.5]
[2501.7]
p1140
[2501.7]
p1141
[2501.7]
p1142
[3080.8]
[2505.7]
p1122
0
1
0
1
<1>
<1>
STW setpoint chan
r1198
r1198
.15
1 = Bypass ramp-function generator
Ramp flattening-off
STW seq_ctrl
r0898
r0898
.6
1 = Enable frequency setpoint
r1119
RFG setp at inp [1/min]
From the setpoint limiting
STW seq_ctrl
r0898
r0898
.5
0 = Freeze ramp-function generator
1 = Internal RFG enable
0 = Internal fast stop
(0)
Accept RFG set val
p1143 [C]
RFG setting value
(0)
p1144 [C]
Freeze ramp-function generator
RFG tol HL/RL act
0.000 ... 1000.000 [1/min]
p1148 [D] (19.800)
RFG ramp-up time
0.000 ... 999999.000 [s]
p1120 [D] (10.000)
RFG ramp-down time
0.000 ... 999999.000 [s]
p1121 [D] (30.000)
OFF3 t_RD
0.000 ... 600.000 [s]
p1135 [D] (30.000)
0 = Internal fast stop
STW seq_ctrl
r0898
r0898
.4
r1149
RFG acceleration [1/s²]
Other status bits
Ramp-up active
Ramp-down active
Ramp-function generator, status bits
f_set_4
Inhibited during jogging.
1 = Enable ramp-function
generator
<2>
<2>
After a 0/1 signal the ramping is re-started.
<3>
With activated Technology controller (p2200 > 0, p2251 = 0) the ramp-function generator is bypassed (r2349.5).
<3>
[2634.8]
[2634.8]
[2634.8]

Table of Contents

Related product manuals