EasyManua.ls Logo

Siemens CU230P-2 HVAC - Fig. 2-125 8016 - Thermal monitoring, motor

Siemens CU230P-2 HVAC
668 pages
Print Icon
To Next Page IconTo Next Page
To Next Page IconTo Next Page
To Previous Page IconTo Previous Page
To Previous Page IconTo Previous Page
Loading...
Signals and monitoring functions
Function diagrams
2-577
© Siemens AG 2009 All Rights Reserved
SINAMICS G120 Control Units CU230P-2 Parameter Manual (LH9), 11/2009
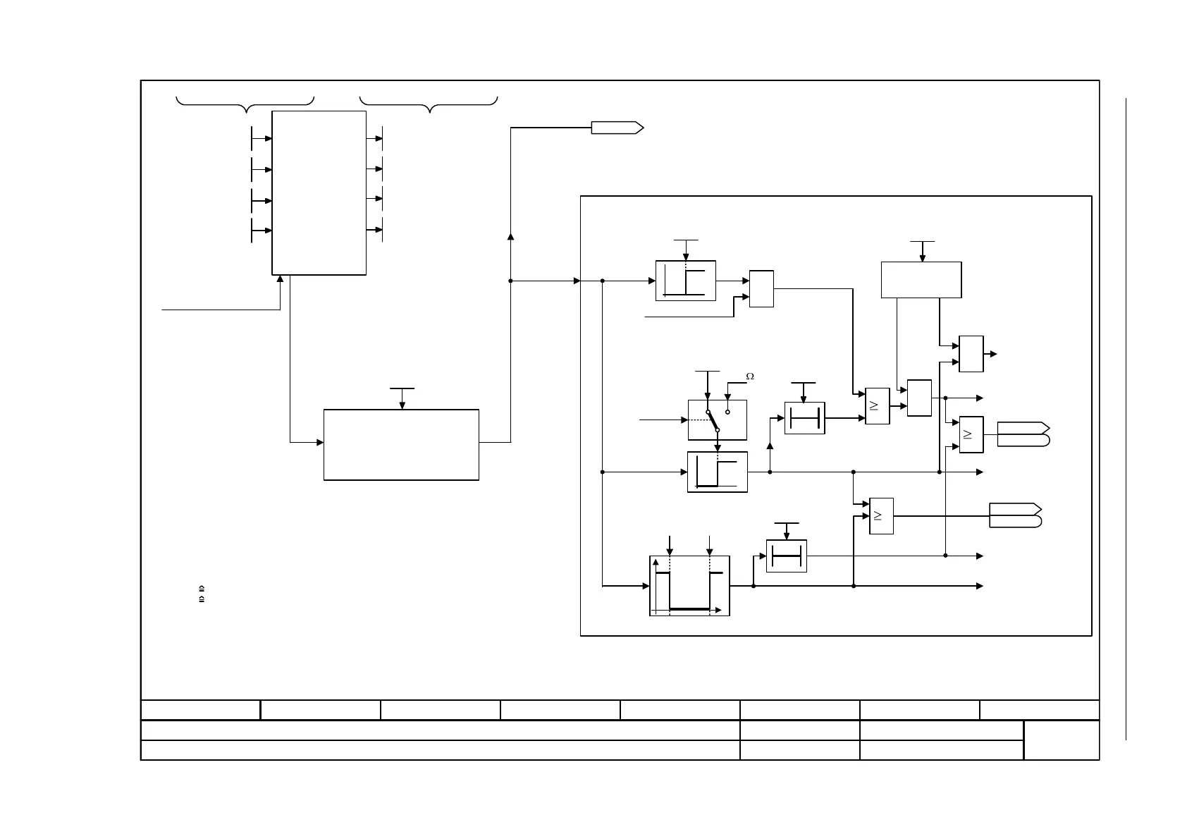
Fig. 2-125 8016 – Thermal monitoring, motor
- 8016 -
Function diagram
87654321
FP_8016_97_51.vsd
Signals and monitoring functions
G120 CU230P-2
29.10.2009 V4.3
Thermal monitoring, motor
<1>
<2>
<3>
<4>
1 =
2 =
T0
&
&
1
<1>
I_max-Reduktion
[1690.1][6640.2]
p0610 = 1
-140 °C 250 °C <2>
0
1
&
1
1
T0
KTY PTC
0
1
<3>
<5>
1650
4 =
Rated motor temperature rise Calculated motor temperatures
Thermal
3-mass-model
(for induction motors
only)
For KTY and PTC, the value p0606 = 0 has a different meaning:
KTY: 0 The output of the timer is always switched out (logical 0)
PTC: 0 Delay time = 0 s
As for the switch-in delay, refer to [1024]. p0607 = 0 suppresses fault F07016.
For KTY and "No sensor", temperature as defined in the model.
The relevant rated response temperature in °C depends on the temperature sensor
chosen by the motor manufacturer.
0 = No sensor
PTC alarm and time
KTY84
Bimetal NC contact
alarm with time step
KTY sensor type
(threshold not applicable for PTC)
Sensor type
Fault
response
Suppress fault
p0610 = 0
F07011
"Motor overtemperature"
A07910
"Motor overtemperature"
A07016
"Motor temperature
sensor fault, fault"
A07015
"Motor temperature
sensor fault alarm"
r0035
Mot_temp [°C]
ZSW fault/alarm 2
r2135
r2135
.12
ZSW fault/alarm 2
r2135
r2135
.14
Mot temp response
0 ... 2
p0610 [D] (1)
0 : No response, only warning, no reduction of I_max
1 : Warning and reduction of I_max and fault (F07011)
2 : Warning and fault, no reduction of I_max
p0610 =
<5>
<4>
T_mes
Mot_temp_sens type
0 ... 4
p0601 [D] (0)
Mot T_ambient
-40 ... 80 [°C]
p0625 [D] (20)
Mot_temp flt thr
0.0 ... 240.0 [°C]
p0605 [D] (145.0)
Mot_temp timer
0.000 ... 600.000 [s]
p0606 [D] (0.000)
Mot_temp al thr
0.0 ... 240.0 [°C]
p0604 [D] (130.0)
Sensor fault time
0.000 ... 600.000 [s]
p0607 [D] (0.100)
MotTMod T_amb. [°C]
r0630 [D]
MotTMod T_core [°C]
r0631 [D]
MotTMod T_copper [°C]
r0632 [D]
MotTMod T_Rotor [°C]
r0633 [D]
Mot T_over core
20 ... 200 [K]
p0626 [D] (50)
Mot T_over stator
20 ... 200 [K]
p0627 [D] (80)
Mot T_over rotor
20 ... 200 [K]
p0628 [D] (100)

Table of Contents

Related product manuals