EasyManua.ls Logo

Siemens CU240E-2 - Fig. 2-25 9360 - Receive telegram, free interconnection via BICO

Siemens CU240E-2
750 pages
To Next Page IconTo Next Page
To Next Page IconTo Next Page
To Previous Page IconTo Previous Page
To Previous Page IconTo Previous Page
Loading...
Function diagrams
Communication
2-522
© Siemens AG 2011 All Rights Reserved
SINAMICS G120 / Control Units CU240B/E-2 Parameter Manual (LH11), 01/2011
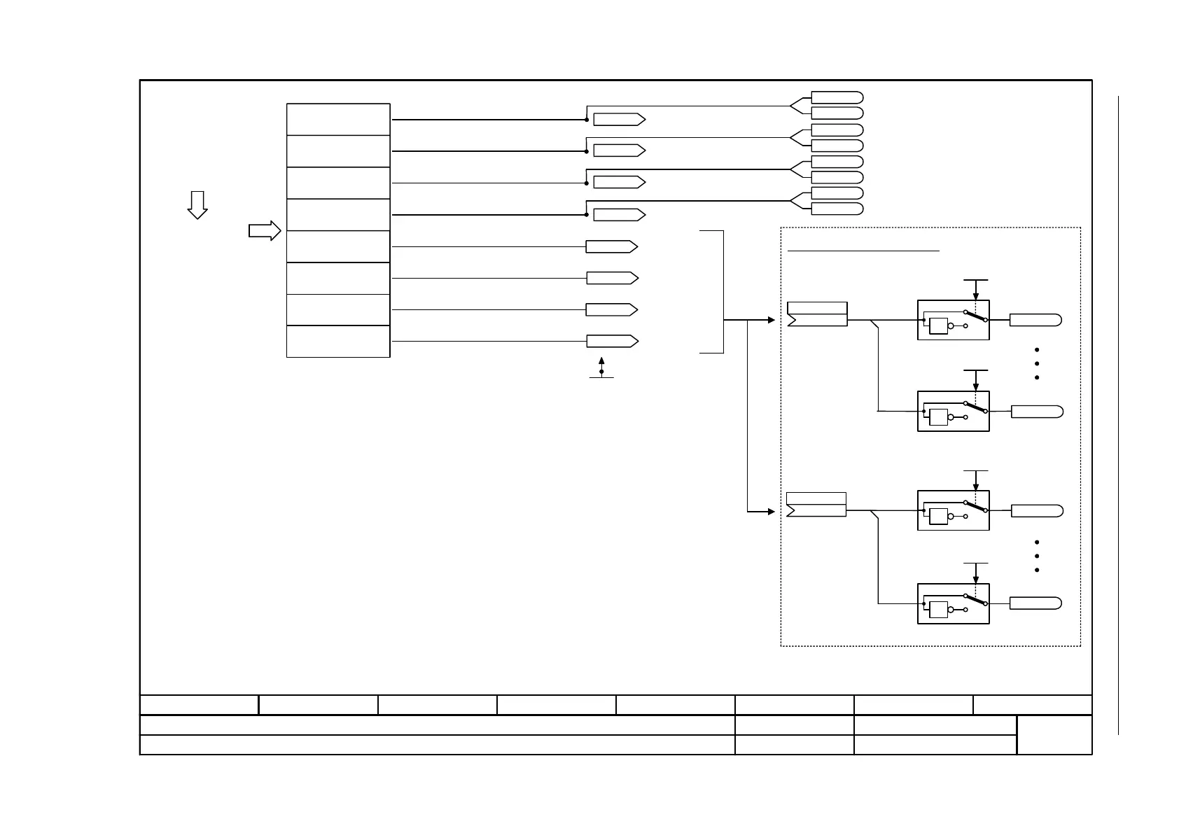
Fig. 2-25 9360 – Receive telegram, free interconnection via BICO
- 9360 -
Function diagram
87654321
FP_9360_97_52.vsd
Fieldbus Interface (USS, Modbus on RS485)
G120 CU240B/E-2
13.12.2010 V4.4
Receive telegram, free interconnection via BICO
<4>
<3>
<1>
1
0
1
1
0
1
1
0
1
1
0
1
<3>
Receive telegram
PZD receive word 1
PZD receive word 2
PZD receive word 3
PZD receive word 4
PZD receive word 5
PZD receive word 6
Using the connector-binector converters, the bits can be extracted from two of the PZD receive words 3 to 8 and used as binectors.
The following representation applies for words: 4000 hex = 100 %.
The reference variables p200x apply for the ongoing interconnection (100 % -> p200x).
The following applies for temperature values: 100° C -> 100 % = 4000 hex, 0° C -> 0 %.
Reference quantities for further
interconnection
p200x
2 connector-binector converter
Con/bin outp
r2094
Con/bin outp inv
p2098
[0].0
Con/bin outp inv
p2098
Con/bin outp inv
p2098
Con/bin outp inv
p2098
Con/bin S_src
(0)
p2099
[1]
Con/bin S_src
(0)
p2099
[0]
r2050
PZD recv word
[4]
r2050
PZD recv word
[5]
Con/bin outp
r2094
.15
Con/bin outp
r2095
.0
Con/bin outp
r2095
.15
.0
PZD receive word 7
PZD receive word 8
r2050
PZD recv word
[6]
r2050
PZD recv word
[7]
Fieldbus
<3>
<4>
<1>
<2>
The receive word 1 must be used as control word (STW1) (due to bit 10 "control requested").
The preconfiguration is set automatically via p0700 = 6.
The preconfiguration with the speed setpoint is set automatically via p1000 = 6.
<2>
[0].15
[1].15
[1].0
...
...
r2050
PZD recv word
[0]
r2050
PZD recv word
[1]
r2050
PZD recv word
[2]
r2050
PZD recv word
[3]
PZD1 recv bitw
r2090
.0
PZD1 recv bitw
r2090
.15
PZD2 recv bitw
r2091.0
PZD2 recv bitw
r2091
.15
...
PZD3 recv bitw
r2092.0
PZD3 recv bitw
r2092
.15
...
PZD4 recv bitw
r2093
.0
PZD4 recv bitw
r2093
.15

Table of Contents

Other manuals for Siemens CU240E-2

Related product manuals