EasyManua.ls Logo

Siemens CU240E-2 - Fig. 2-46 2512 - Control word 1 (r0054)

Siemens CU240E-2
750 pages
To Next Page IconTo Next Page
To Next Page IconTo Next Page
To Previous Page IconTo Previous Page
To Previous Page IconTo Previous Page
Loading...
Internal control/status words
Function diagrams
2-545
© Siemens AG 2011 All Rights Reserved
SINAMICS G120 / Control Units CU240B/E-2 Parameter Manual (LH11), 01/2011
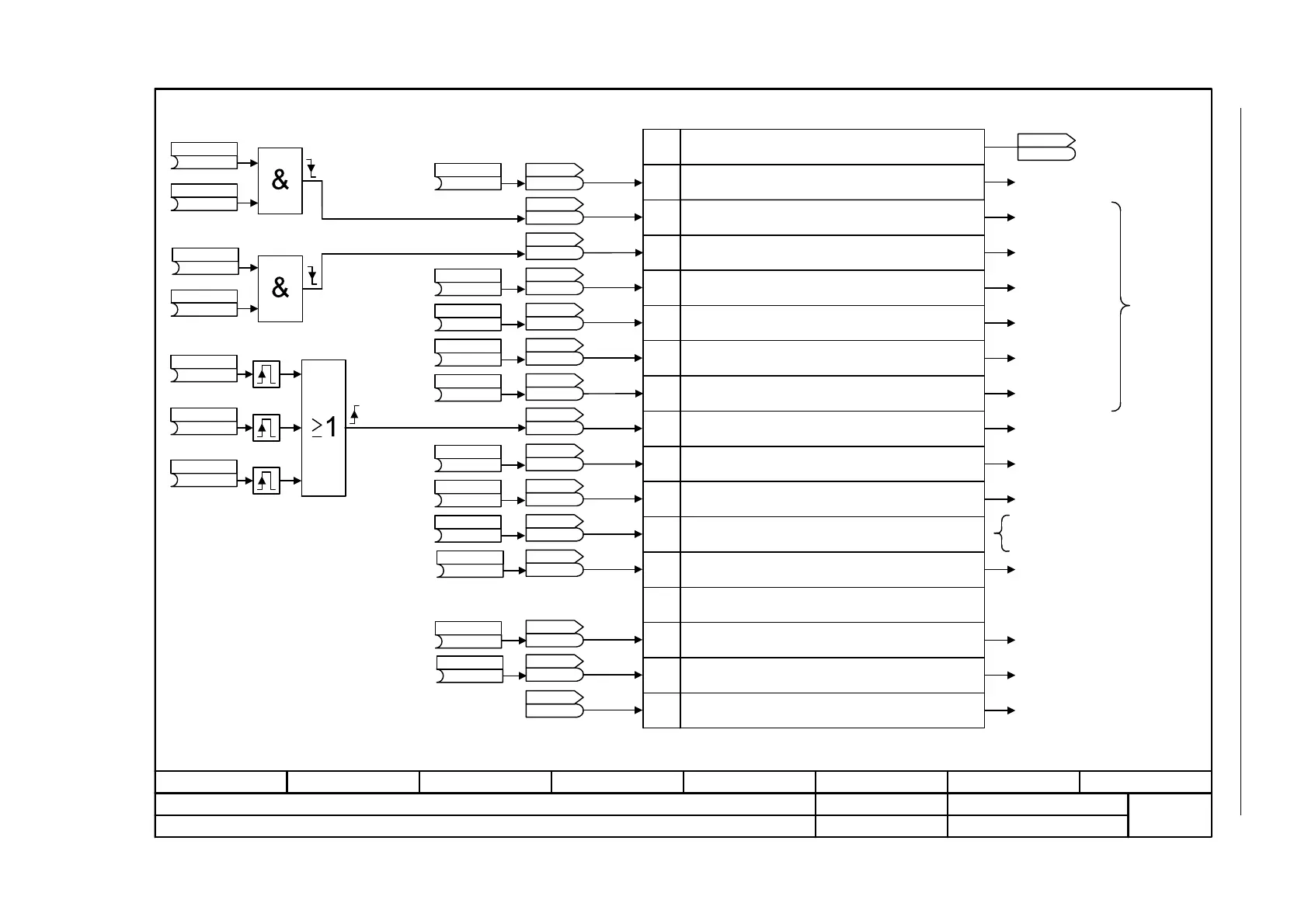
Fig. 2-46 2512 – Control word 1 (r0054)
- 2512 -
Function diagram
87654321
FP_2512_97_51.vsd
Internal control/status words
G120 CU240B/E-2
13.12.2010 V4.4
Control word 1
1
2
3
4
5
6
7
8
9
10
11
12
13
14
15
0
Sequence control
Setpoint channel
Setpoint channel
Setpoint channel
Setpoint channel
Sequence control
Setpoint channel
Sequence control
Sequence control
Setpoint channel
Setpoint channel
Setpoint channel
Sequence control
Sequence control
Setpoint channel
Sequence control
Sequence control
Setpoint channel
All bits = 1 -->
drive runs
Bit 10 in STW1 must be set to
ensure that the drive accepts the
process data.
Bit No. Control word 1 (r0054)
0 = OFF1, Shutdown via ramp, followed by pulse disable
1 = ON, operating condition (edge-controlled)
0 = OFF2: Electrical stop, pulse disable, motor coasts down
1 = Operating condition
0 = OFF3: Fast stop
1 = Operating condition
1 = Operation enable
1 = Ramp-function generator enable
1 = Continue ramp-function generator
1 = Speed setpoint enable
1 = Acknowledge fault
1 = Jog bit 0
1 = Jog bit 1
1 = Master ctrl by PLC
1 = Directions reversal (setpoint)
Reserved
1 = Motorized potentiometer raise
1 = Motorized potentiometer lower
1 = CDS bit 0
STW 1
r0054
r0054
STW seq_ctrl
r0898
r0898
.0
[2501.7]
[2501.7]
[2501.7]
[2501.7]
[2501.7]
[2501.7]
[2501.7]
[2546.7]
[2501.7]
[2501.7]
[2501.7]
[2505.7]
[2505.7]
[2505.7]
[8560.7]
(1)
OFF2 S_src 1
p0844 [C]
(1)
OFF2 S_src 2
p0845 [C]
(1)
OFF3 S_src 1
p0848 [C]
(1)
OFF3 S_src 2
p0849 [C]
(1)
Setpoint enable
p1142 [C]
(722.0)
ON / OFF (OFF1)
p0840 [C]
(1)
Operation enable
p0852 [C]
(1)
RFG enable
p1140 [C]
(1)
Continue RFG
p1141 [C]
(1)
Master ctrl by PLC
p0854 [C]
(0)
Jog bit 0
p1055 [C]
(0)
Jog bit 1
p1056 [C]
r0898.1
r0898
r0898.2
r0898
r0898.3
r0898
r0898.4
r0898
r0898.5
r0898
r0898.6
r0898
r2138.7
r2138
r0898.8
r0898
r0898.9
r0898
r0898.10
r0898
r1198.11
r1198
r1198.13
r1198
r1198.14
r1198
r0836.0
r0836
(0)
Mop raise
p1035 [C]
(0)
Mop lower
p1036 [C]
(722.1)
Setp inv
p1113 [C]
Pulse generator
(722.2)
1. Acknowledge
p2103 [C]
(0)
2. Acknowledge
p2104 [C]
(0)
3. Acknowledge
p2105 [C]

Table of Contents

Other manuals for Siemens CU240E-2

Related product manuals