EasyManua.ls Logo

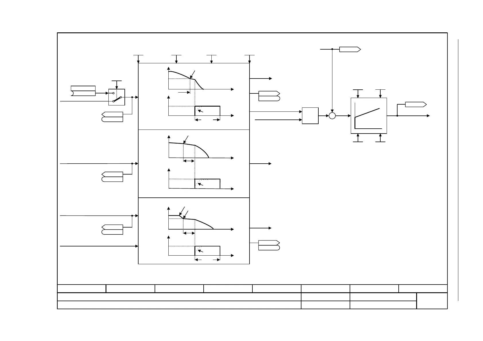
Siemens CU240E-2 - Fig. 2-122 7017 - DC brake (p0300 = 1)

Siemens CU240E-2
750 pages
To Next Page IconTo Next Page
To Next Page IconTo Next Page
To Previous Page IconTo Previous Page
To Previous Page IconTo Previous Page
Loading...
Function diagrams
Technology functions
2-628
© Siemens AG 2011 All Rights Reserved
SINAMICS G120 / Control Units CU240B/E-2 Parameter Manual (LH11), 01/2011
Fig. 2-122 7017 – DC brake (p0300 = 1)
- 7017 -
Function diagram
87654321
FP_7017_97_54.vsd
Technology functions
G120 CU240B/E-2
13.12.2010 V4.4
DC brake (p0300 = 1)
MIN
[6714]
Kp Tn
p0347
p1234
p1233
p1232
p0347
p1232
<1>
<2>
<3>
<1>
<2>
0
4
t
t
t
t
OFF
p1231 = 5 (OFF1/OFF3)
Pulse disable
Pulse disable
n_act
n_set
|I_set|
n_act
n_set
Braking response
|I_set|
|I_act|
The DC braking current is determined during automatic calculation (p0340 = 1).
The de-magnetization time is determined during automatic calculation (p0340 = 1, 3).
To pulse disable
To sequencer
From I²t control [8014]
|I_set|
Current actual values
The parameters of the
I_max current controller are also used.
To control [6730]
To V/f characteristic
[6300]
(0)
DCBRK Akt
p1230 [C]
DCBRK config
0 ... 14
p1231 [D] (0)
DCBRK I_brake
0.00 ... 10000.00 [Aeff]
p1232 [D] (0.00)
DCBRK time
0.0 ... 3600.0 [s]
p1233 [D] (1.0)
DCBRK n_start
0.00 ... 210000.00 [1/min]
p1234 [D] (210000.00)
DCBRK ZSW
r1239
r1239
.10
DCBRK ZSW
r1239
r1239
.8
I_max_U_ctrl Kp
0.000 ... 100000.000
p1345 [D] (0.000)
I_max_U_ctrl Tn
0.000 ... 50.000 [s]
p1346 [D] (0.030)
r0072
U_output [Veff]
DCBRK ZSW
r1239
r1239
r0068[0..1]
I_act abs val [Aeff]
I_ctrl Kp
0.000 ... 100000.000
p1715 [D] (0.000)
I_ctrl Tn
0.00 ... 1000.00 [ms]
p1717 [D] (2.00)
Mot t_de-excitat.
0.000 ... 20.000 [s]
p0347 [D] (0.000)
14
To pulse disable
To sequencer
To pulse disable
To sequencer
|I_act|
p1234
p1233
p1232
p0347
t
t
Pulse disable
n_act
n_set
|I_set|
|I_act|
DC brake fault response
p1231 = 4 (control command)
DCBRK ZSW
r1239
r1239
DCBRK ZSW
r1239
r1239
DC braking when starting speed for DC braking (p1234) is fallen below.
<3>

Table of Contents

Other manuals for Siemens CU240E-2

Related product manuals