EasyManua.ls Logo

Siemens LMV50 series

Siemens LMV50 series
327 pages
To Next Page IconTo Next Page
To Next Page IconTo Next Page
To Previous Page IconTo Previous Page
To Previous Page IconTo Previous Page
Loading...
249/327
Building Technologies Basic Documentation LMV5... CC1P7550en
18 VSD module 22.05.2018
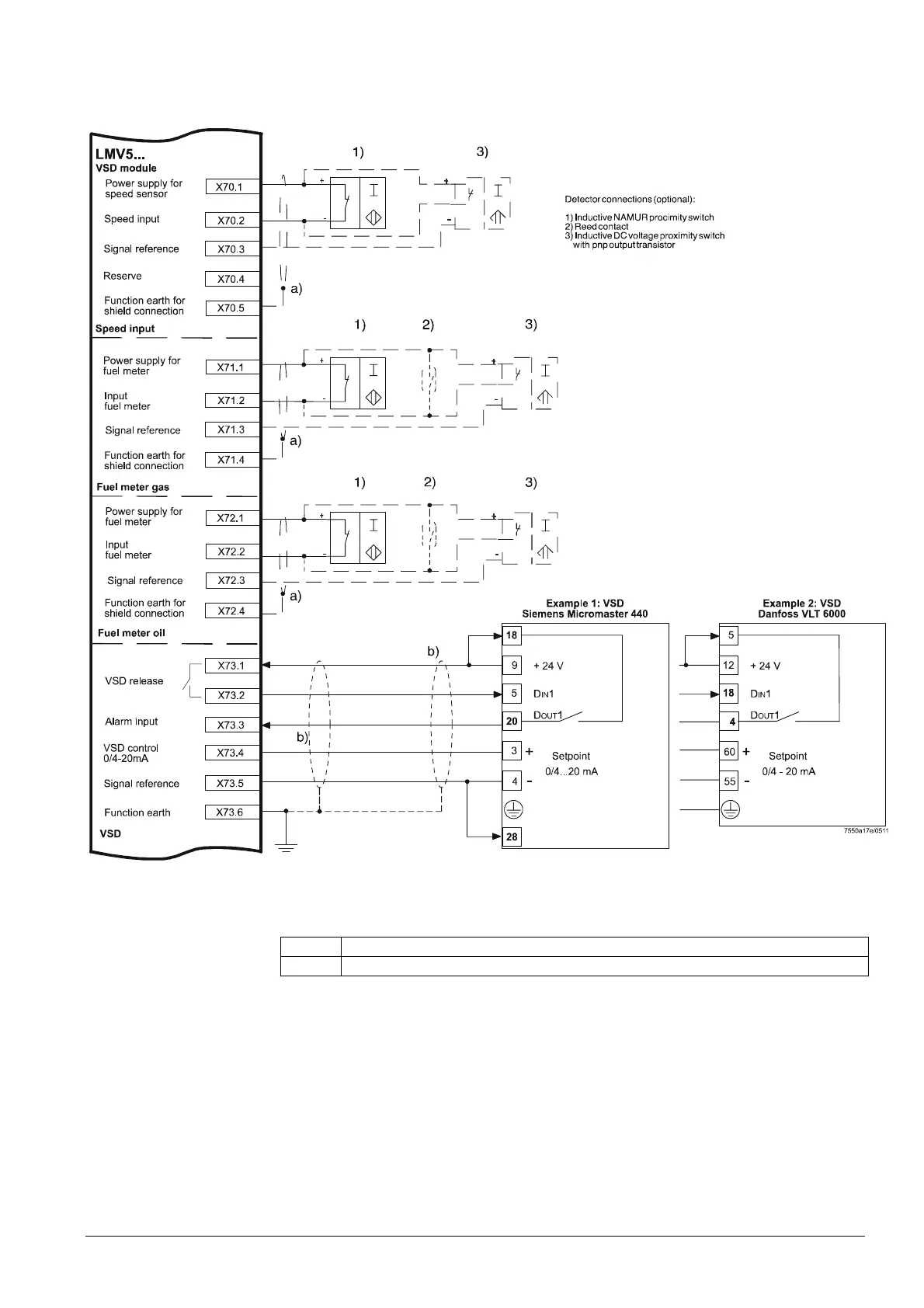
18.3 Connection terminals
Also refer to chapter Connection terminals / coding of connectors.
FE
0 V
Figure 115: Connection terminals of LMV5
Shielding:
a) Optional shield connection for arduous environmental conditions
b) Alternative connection of VSD, refer to documentation of used VSD

Table of Contents

Other manuals for Siemens LMV50 series

Related product manuals