EasyManua.ls Logo

Siemens LMV50 series

Siemens LMV50 series
327 pages
To Next Page IconTo Next Page
To Next Page IconTo Next Page
To Previous Page IconTo Previous Page
To Previous Page IconTo Previous Page
Loading...
31/327
Building Technologies Basic Documentation LMV5... CC1P7550en
3 Fuel train (examples) 22.05.2018
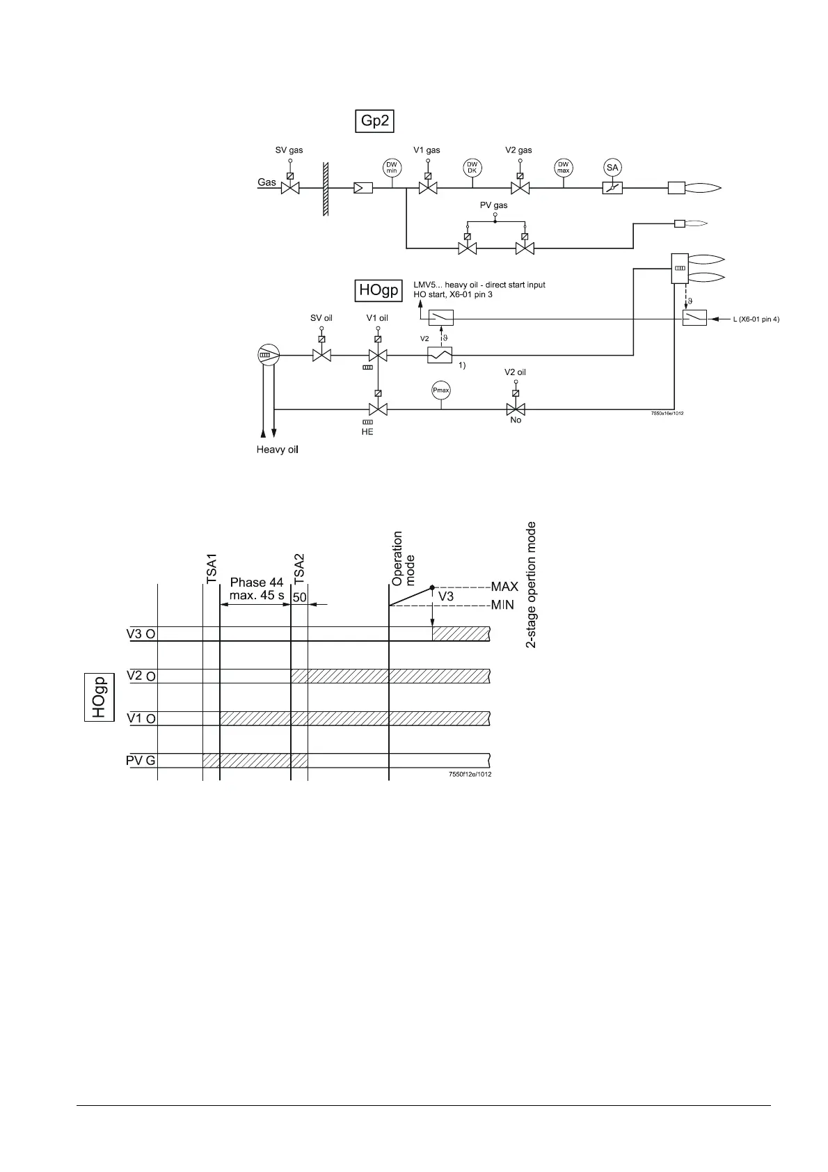
Figure 22: Fuel train application – dual-fuel burner gas / light oil, with gas pilot ignition
Heavy oil (with gas pilot ignition)
Figure 23: Fuel train application – fuel valve control
Legend (fuel trains):
HO Heavy oil
PV Pilot valve
TSA Safety time
V Fuel valve
Circulation from phase 44, max. 45 s
as soon as heavy oil direct start =
ON in phase 44:
phase change in phase 50
Heavy oil direct start =
OFF at the end of phase 44
repetition (max. 3 times in total)
Dual-fuel burner gas / heavy oil
with gas pilot ignition
Fuel valve control

Table of Contents

Other manuals for Siemens LMV50 series

Related product manuals