EasyManua.ls Logo

Siemens SIMATIC S7-1200 - Page 176

Siemens SIMATIC S7-1200
527 pages
To Next Page IconTo Next Page
To Next Page IconTo Next Page
To Previous Page IconTo Previous Page
To Previous Page IconTo Previous Page
Loading...
Using PID_Temp
6.2 Configuring PID_Temp
PID control
176 Function Manual, 03/2017, A5E35300227-AC
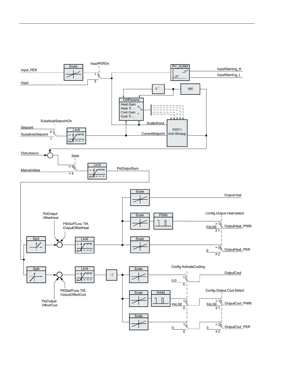
PID_Temp block diagram
The following block diagram shows how the PID algorithm is integrated in the PID_Temp.

Table of Contents

Other manuals for Siemens SIMATIC S7-1200

Related product manuals