EasyManua.ls Logo

Siemens SIMATIC S7-1200

Siemens SIMATIC S7-1200
527 pages
To Next Page IconTo Next Page
To Next Page IconTo Next Page
To Previous Page IconTo Previous Page
To Previous Page IconTo Previous Page
Loading...
Instructions
9.4 PID basic functions
PID control
484 Function Manual, 03/2017, A5E35300227-AC
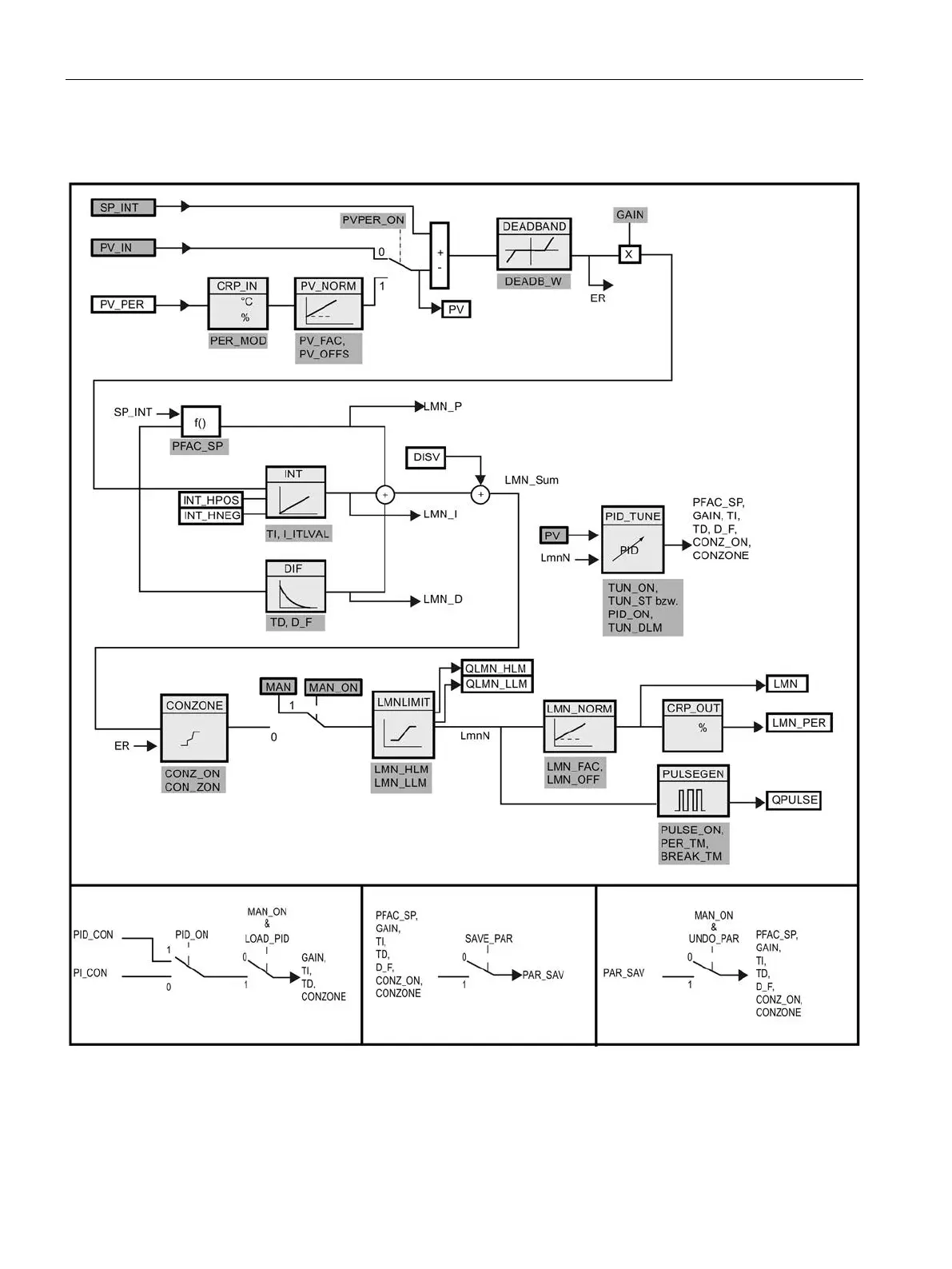
9.4.4.4
Block diagram TCONT_CP

Table of Contents

Other manuals for Siemens SIMATIC S7-1200

Related product manuals