EasyManua.ls Logo

Siemens SIMATIC S7-1200

Siemens SIMATIC S7-1200
527 pages
To Next Page IconTo Next Page
To Next Page IconTo Next Page
To Previous Page IconTo Previous Page
To Previous Page IconTo Previous Page
Loading...
Instructions
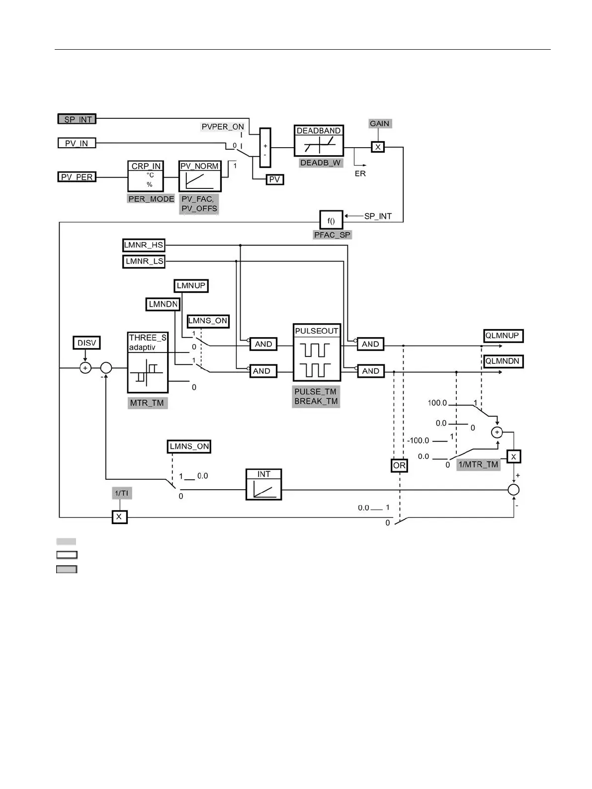
9.4 PID basic functions
PID control
Function Manual, 03/2017, A5E35300227-AC
501
9.4.5.3
Block diagram TCONT_S
Parameter configuration interface
Instruction call interface
Parameter configuration interface, call interface

Table of Contents

Other manuals for Siemens SIMATIC S7-1200

Related product manuals