EasyManua.ls Logo

Siemens SIMATIC S7-1200 - Page 83

Siemens SIMATIC S7-1200
527 pages
To Next Page IconTo Next Page
To Next Page IconTo Next Page
To Previous Page IconTo Previous Page
To Previous Page IconTo Previous Page
Loading...
Using PID_Compact
4.2 PID_Compact V2
PID control
Function Manual, 03/2017, A5E35300227-AC
83
PID parameters V2
The PID parameters are displayed in the "PID Parameters" configuration window. The PID
parameters will be adapted to your controlled system during controller tuning. You do not
need to enter the PID parameters manually.
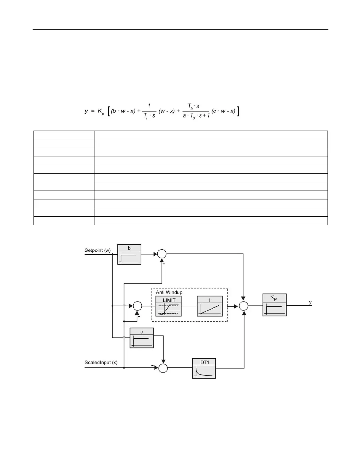
The PID algorithm operates according to the following equation:
Symbol
Description
y Output value of the PID algorithm
K
p
Proportional gain
s Laplace operator
b
Proportional action weighting
w
Setpoint
x
Process value
T
I
Integral action time
a
Derivative delay coefficient (derivative delay T1 = a × T
D
)
T
D
Derivative action time
c
Derivative action weighting
The diagram below illustrates the integration of the parameters into the PID algorithm:
All PID parameters are retentive. If you enter the PID parameters manually, you must
completely download PID_Compact.
Downloading technology objects to device (Page 44)

Table of Contents

Other manuals for Siemens SIMATIC S7-1200

Related product manuals