EasyManua.ls Logo

Siemens SINAMICS G120 - Page 47

Siemens SINAMICS G120
176 pages
To Next Page IconTo Next Page
To Next Page IconTo Next Page
To Previous Page IconTo Previous Page
To Previous Page IconTo Previous Page
Loading...
Connecting
Power Module PM240-2
Hardware Installation Manual, 01/2020, A5E33294624B AL
45
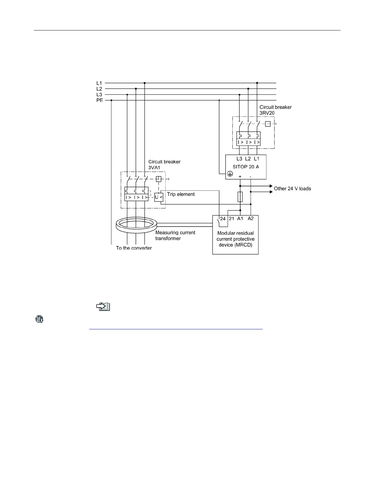
For converters with rated input currents > 160 A referred to LO, use a Siemens modular
RCCB device (MRCD type B 5SV8111-4KK) with a current transformer (5SV870.-2K), a
circuit breaker (series 3VA1) and a trip element (3VA9988-0BL30).
Figure 4-1 MRCD
A dedicated RCD is used for every converter.
The motor cables are shorter than 50 m (164 ft) shielded, or 100 m (328 ft) unshielded.
Additional information about motor cables:
Length of the motor cable (Page 56)
Further protection and monitoring equipment
(https://support.industry.siemens.com/cs/ww/en/view/109486009)

Table of Contents

Other manuals for Siemens SINAMICS G120

Related product manuals