EasyManua.ls Logo

Silca Speed - Technical Specifications and Electric Circuit; Specifications and Power Requirements; Electric Circuit Overview

Silca Speed
36 pages
Print Icon
To Next Page IconTo Next Page
To Next Page IconTo Next Page
To Previous Page IconTo Previous Page
To Previous Page IconTo Previous Page
Loading...
1.2 Technical Data
Power supply: 230V - 50/60Hz
120V - 60Hz
Maximum absorbed power: 230V: 2 Amp. 180 Watt
120V: 4,3 Amp. 180 Watt
Cutter motor: single phase and speed
Movements: by ball joint on rectied carriage
Cutter: HSS Super Rapid Steel
Tool speed: 50Hz: 600 rpm
60Hz: 720 rpm
Runs (maximum length of cuts): 42 mm
Dimensions: width: 400 mm - depth: 460 mm - height: 300 mm
Mass: Kg. 14
Noise level: sound pressure Lp(A) = less than 70 dB(A)
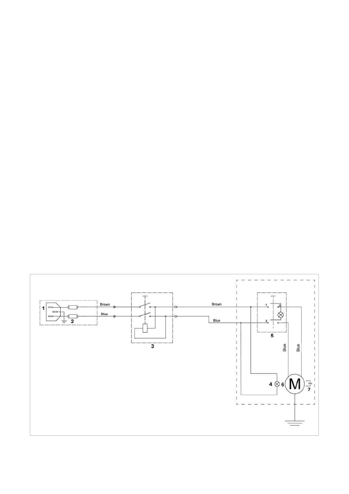
1.3 Electric circuit
The main parts of the electric circuit on the key-cutting machine are listed below:
1) Power supply socket
2) Fuses 4 Amp rapid (230V) - 8 Amp rapid (120V)
3) Master switch
4) LED
5) Motor start switch
6) Motor with collector: 230V-50/60Hz (120V-60Hz)
7) Condenser
Fig.6
Operating manual SPEED
Copyright Silca 2013
7

Related product manuals