EasyManua.ls Logo

Simex PL 4520 - Page 57

Simex PL 4520
60 pages
Print Icon
To Next Page IconTo Next Page
To Next Page IconTo Next Page
To Previous Page IconTo Previous Page
To Previous Page IconTo Previous Page
Loading...
57
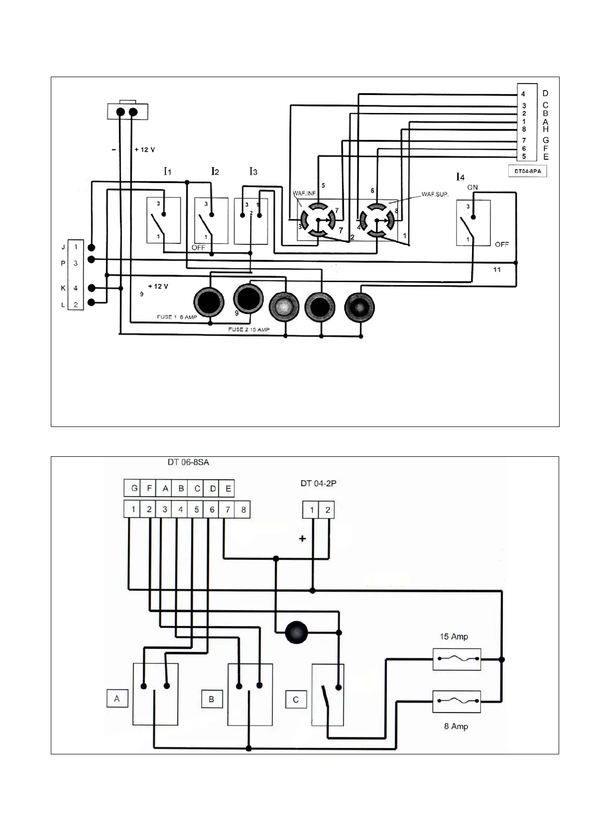
WIRING DIAGRAM FOR 3-HYDRAULIC LINE VERSION
Key:
I
1
= Floating tilt
I
2
= Drum activation
I
3
= Jack activation
I
4
= Water
WIRING DIAGRAM FOR 5-HYDRAULIC LINE VERSION WITH OPTIONALS

Table of Contents

Related product manuals