EasyManua.ls Logo

Singer 522D - Machine Support Components Installation

Singer 522D
80 pages
Print Icon
To Next Page IconTo Next Page
To Next Page IconTo Next Page
To Previous Page IconTo Previous Page
To Previous Page IconTo Previous Page
Loading...
7
High Speed Flat Bed Interlock Sewing Machine | Instruction Manual and Parts List
Machine Support
Components
Installation
3.2
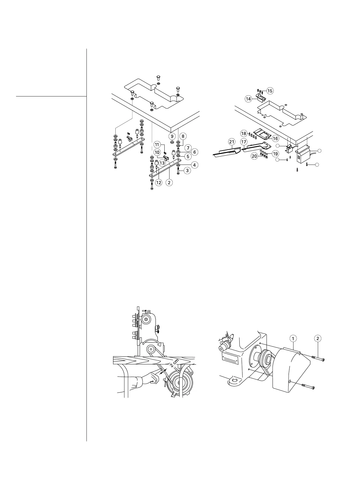
Figure 2
522D-3xx-09
522D-3xx-09E only
Assemble the machine support
components (and the cloth waste
chute for machine models 522D-
3xx-09 and 522D-3xx-09E) as
indicated in Figure 2.
522D (for Clutch Motor only)
Washer ‘9’ thickness should be
selected according to the thickness
of the table.
Mount the machine head over the
rest board.
Connect the machine handwheel to
the clutch motor with the v-belt.
Adjust the tension of the v-belt so
that it can be about 20 mm bent
inward when you press the middle
o t and make sure the motor turn-
ing direction is clockwise, as shown
on Figure 3
Install the belt cover according to
Figure 4.
A
B
C
D
Figure 3 Figure 4
Note
Please install the
control box 'A' by
screw 'B', and the
pedal controller 'C' by
screw 'D'. (for ES DD
motor).

Table of Contents

Related product manuals