EasyManua.ls Logo

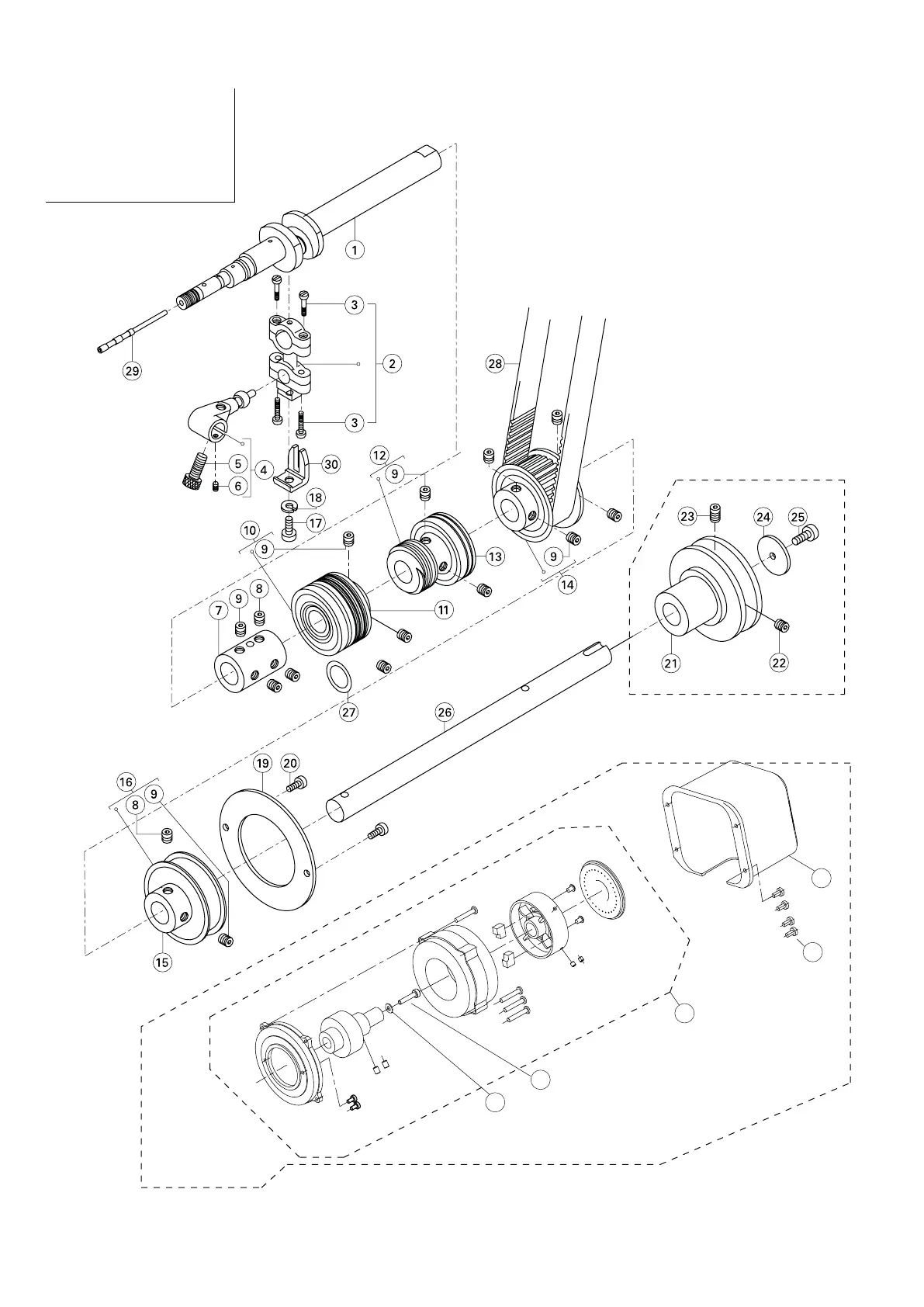
Singer 522D - Crank Shaft Components

Singer 522D
80 pages
Print Icon
To Next Page IconTo Next Page
To Next Page IconTo Next Page
To Previous Page IconTo Previous Page
To Previous Page IconTo Previous Page
Loading...
28
7.5
Crank Shaft
Components
For Clutch Motor
For ES DD Motor
33
35
34
31
32
High Speed Flat Bed Interlock Sewing Machine | Instruction Manual and Parts List

Table of Contents

Related product manuals