EasyManua.ls Logo

Singer 522D - Cover Components

Singer 522D
80 pages
Print Icon
To Next Page IconTo Next Page
To Next Page IconTo Next Page
To Previous Page IconTo Previous Page
To Previous Page IconTo Previous Page
Loading...
24
High Speed Flat Bed Interlock Sewing Machine | Instruction Manual and Parts List
7.3
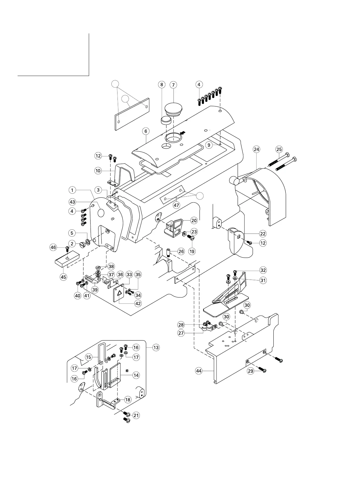
Cover
Components
Except 522D-3xx-08/-09
522D-3xx-08E/-09E
49
49
48

Table of Contents

Related product manuals