EasyManua.ls Logo

sol-ark 5K-P - Page 10

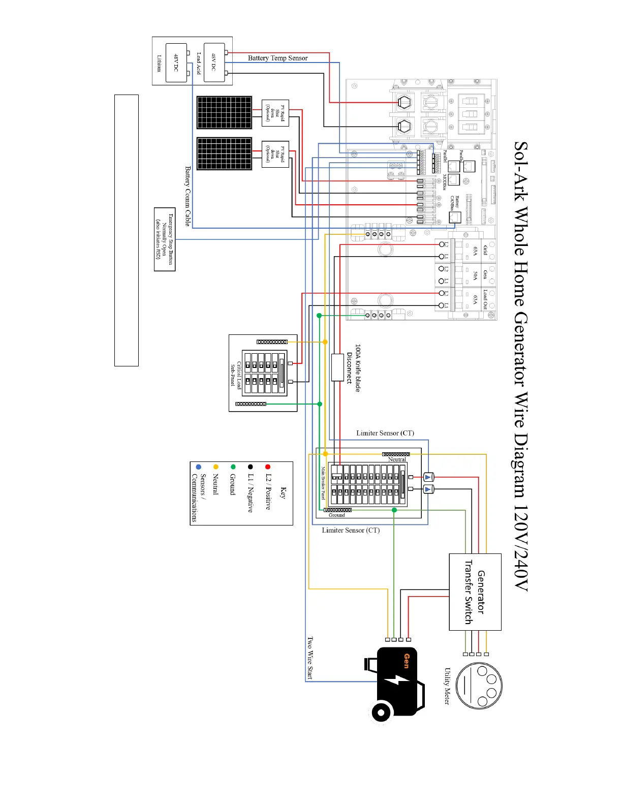
sol-ark 5K-P
44 pages
Print Icon
To Next Page IconTo Next Page
To Next Page IconTo Next Page
To Previous Page IconTo Previous Page
To Previous Page IconTo Previous Page
Loading...
January 26
th
, 2022 10
Note: PV fuses are only required for >2 strings per MPPT
Diagram 4

Related product manuals