EasyManua.ls Logo

SolarMax 2000P - Block Diagram

SolarMax 2000P
66 pages
Print Icon
To Next Page IconTo Next Page
To Next Page IconTo Next Page
To Previous Page IconTo Previous Page
To Previous Page IconTo Previous Page
Loading...
74
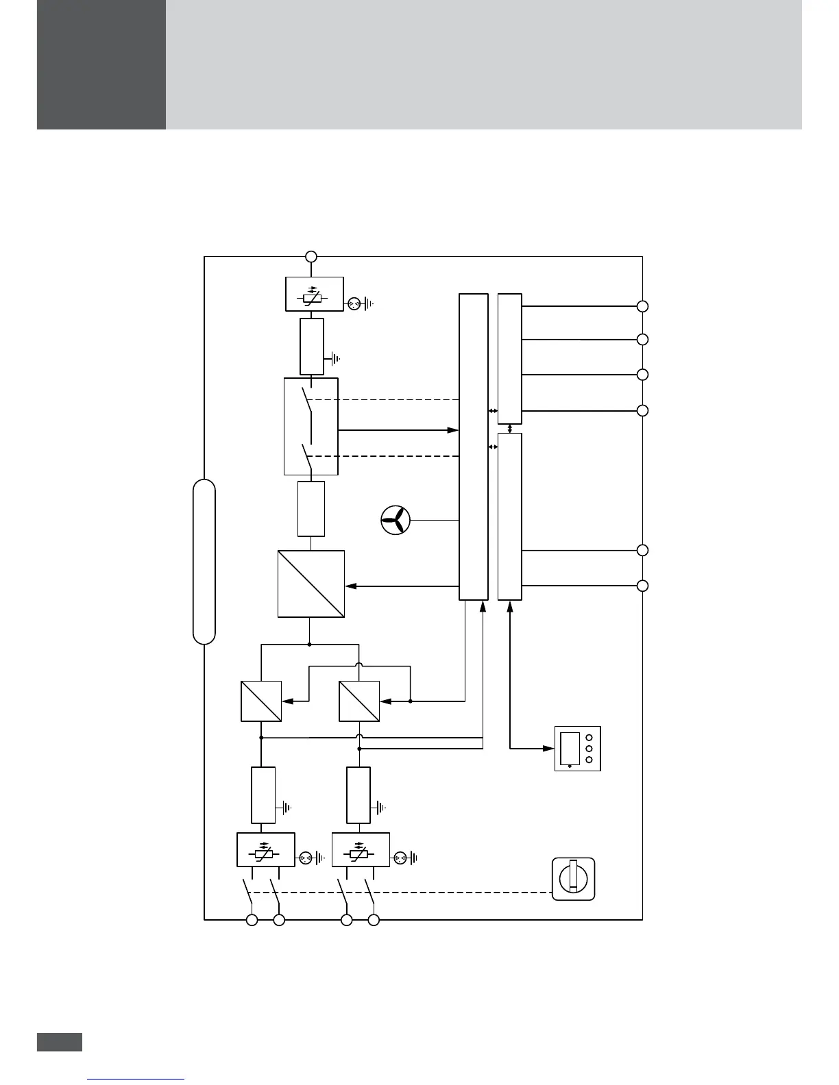
3.6 Block diagram
+
+
I
0
U
U
U
Status signalling contact
Ethernet
DC measurement
AC measurement
Fan
RS485
External shutdown
Monitoring
lightning protection
Inverter control
Booster control
Inverter
LCL lter
Booster 2
Booster 1
SolarMax P series
DC
DC
AC
K2K1
DC
DC
DC
External power control
Control unit
Communication module
Graphics display
* Tracker 2 only SolarMax 4000P / 4600P / 5000P ** optional
DC disconnector
DC input
Tracker 1
DC input
Tracker 2 *
I/O module **
AC output
EMC lter
EMC lter
EMC lter

Table of Contents

Related product manuals