EasyManua.ls Logo

Sony CCD-CCD-TRV49E - Audio Block Diagram

Sony CCD-CCD-TRV49E
234 pages
Print Icon
To Next Page IconTo Next Page
To Next Page IconTo Next Page
To Previous Page IconTo Previous Page
To Previous Page IconTo Previous Page
Loading...
CCD-TR618/TR618E/TR718E/TR728E/TR818/TRV49/TRV49E/TRV58/
TRV58E/TRV59E/TRV68/TRV78/TRV78E/TRV88/TRV98/TRV98E
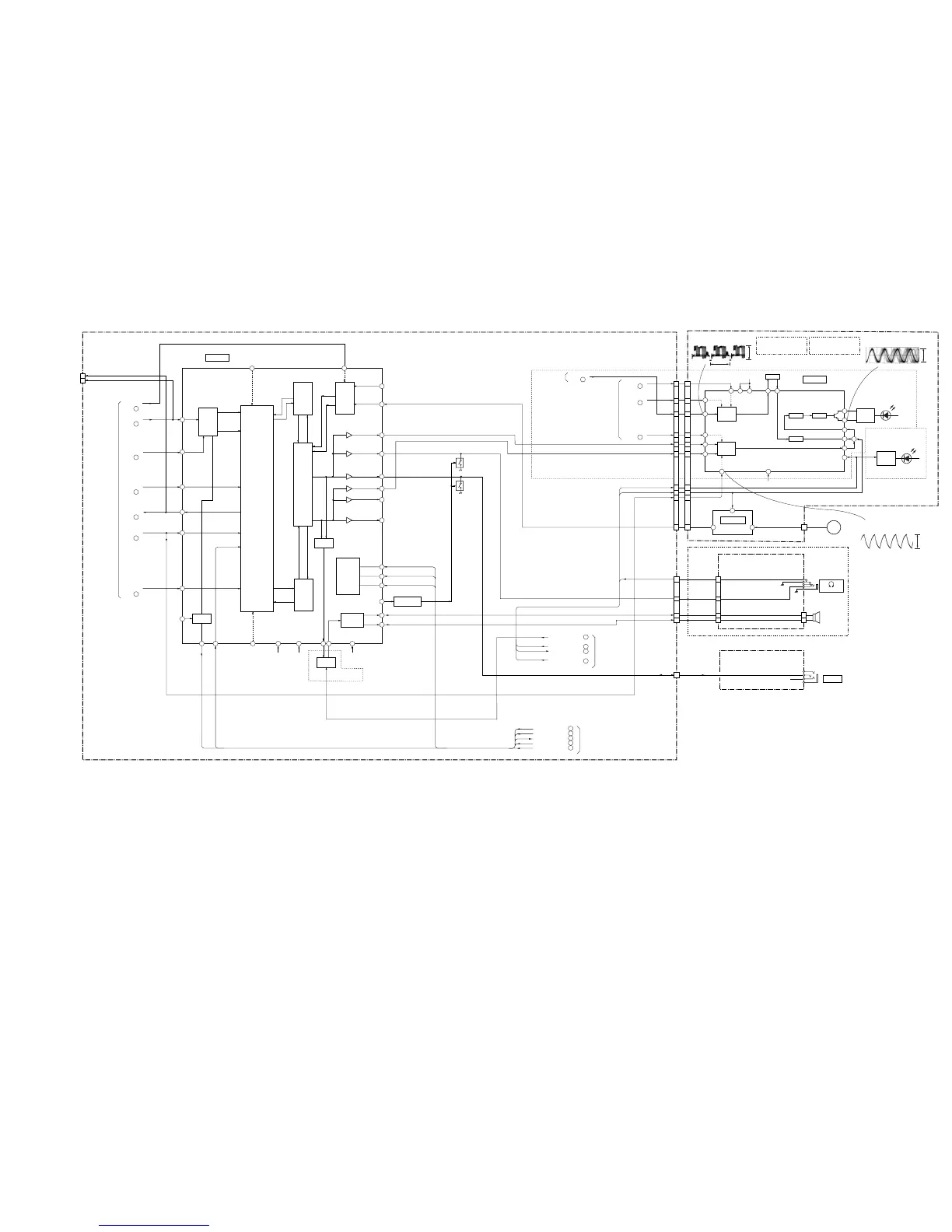
3-8. AUDIO BLOCK DIAGRAM
3-17 3-18
( ) : Page No. shown in ( ) indicates the page to refer on the schematic diagram.
63
2
55
52
57
56
58
54
21
22
23
59
49
51
932
26
28
18
29
14
17
19
20 24 31 60 41 4643 48
12
(IC601 )
14
(IC101 )
10
(IC601 )
9
(IC601 )
1
(IC101 )
79
(IC151 )
11
(IC601 )
CN713
(FOR CHECK)
BPF MON
PB RF
A FADE
PB RF
AU BPF
1.5M DEV
REC AFM
FSC
CAMERA/VIDEO(2)
1.7M DEV
(4-60)
AFM PROCESS
BPF
PB 1.5M
PB 1.7M
ST/MONO
DET
MIX
MIX
1.7M DEV
FSC
REC RF
1.5M DEV
MOD/DEMOD
NR
MX
MTX
NR
SP VCC
Q354
SPEAKER
AMP
BUS
DECODER
AGC
MIC(L)
MIC(R)
IR(L)
HP(L)
LINE(L)
IR(R)
LINE(R)
HP(R)
POWER MUTE
SP+
SP-
AU 4.75V
AU 2.8V
MT 4.75V
(TRV MODEL)
ON/OFF
MUTE SWITCH
Q355(1/2)
XCS AU
XVC SCK
VC SO
Q355
(2/2)
Q352
VC-251 BOARD
IC351
(SEE PAGE 3-8)
16
VC SI
VC RF SWP
13
9
47
(IC402 )
20
(IC402 )
80
(IC402 )
79
(IC402 )
78
(IC402 )
VC RF SWP
XCS AU
VC SI
VC SO
VC SCK
VTR/CAMERA
CONTROL
(SEE PAGE 3-11)
36
(IC503 )
58
(IC503 )
31
(IC503 )
43
(IC503 )
BEEP
XWIND ON
HP JACK IN
NS LIGHT ON
MODE CONTROL
(SEE PAGE 3-16)
27 25
24
22
18
16
14
+
7 12
24
(IC221 )
6
(IC601 )
21
(IC601 )
7
(IC601 )
39
41
45
46
48
35 32 31
15
IR L OUT
IR R OUT
CAMERA/VIDEO(1)
CAMERA/
VIDEO(2)
IR VIDEO
IR CARR
CN703 CN753
IR V DEV
IR A DEV
(LASER LINK MODEL)
(EXCEPT LASER LINK MODEL)
A 4.75V
A 4.75V
VIDEO
SIGNAL
PROCESS
LED
DRIVE
A/V OUT
J201
Q3901,3902
D3901,3902
(LASER LINK)
AUDIO
SIGNAL
PROCESS
HPF
IR TRANSMITTER
MIX
AMP
DRIVE
VCC VCC
OSC VCC
FSC
(4-13)
(4-12)
(SEE PAGE 4-33)
STBY
IR ON
SIRCS PWM
IC3901
(SEE PAGE 3-10)
(SEE PAGE 3-8)
8
9
4
10
7
6
11
15
1
23
8
9
4
10
7
6
11
15
1
23
CN003
SP+
SP-
1
2
12
11
SP901
SPEAKER
(TRV MODEL)
CN001
HP JACK IN
HEADPHONE L
3
4
13
14
CN709
NS LIGHT ON
XWIND ON
IR FSC
MIC R
22
21
J001
(HEADPHONES)
CONTROL SWITCH BLOCK
(CF-1000)
19
18
12
IC752
MIC AMP
LED
DRIVE
Q3904
D3903
(NS LIGHT)
8
CN702
AUDIO L I/O
1
MIC
INT MIC R
CN752
VIDEO I/O
FP-257
(FLEXIBLE)
(TR MODEL)
MI-040 BOARD
(TRV MODEL)
MI-041 BOARD
TRV MODEL : CCD-TRV49/TRV49E/TRV58/TRV58E/TRV59E/TRV68/TRV78/TRV78E/
TRV88/TRV98/TRV98E
TR MODEL : CCD-TR618/TR618E/TR718E/TR728E/TR818
LASER LINK MODEL : CCD-TRV98
IC3901 7
IR ON
0.2Vp-p
3.5795 MHz
IC3901 ws
IR ON
0.9Vp-p
0.5 µsec/div
IC3901 ra
IR ON
0.6Vp-p
H

Table of Contents

Related product manuals