EasyManua.ls Logo

Sony CDP-CE375 - Schematic Diagram - MAIN Board

Sony CDP-CE375
40 pages
Print Icon
To Next Page IconTo Next Page
To Next Page IconTo Next Page
To Previous Page IconTo Previous Page
To Previous Page IconTo Previous Page
Loading...
2121
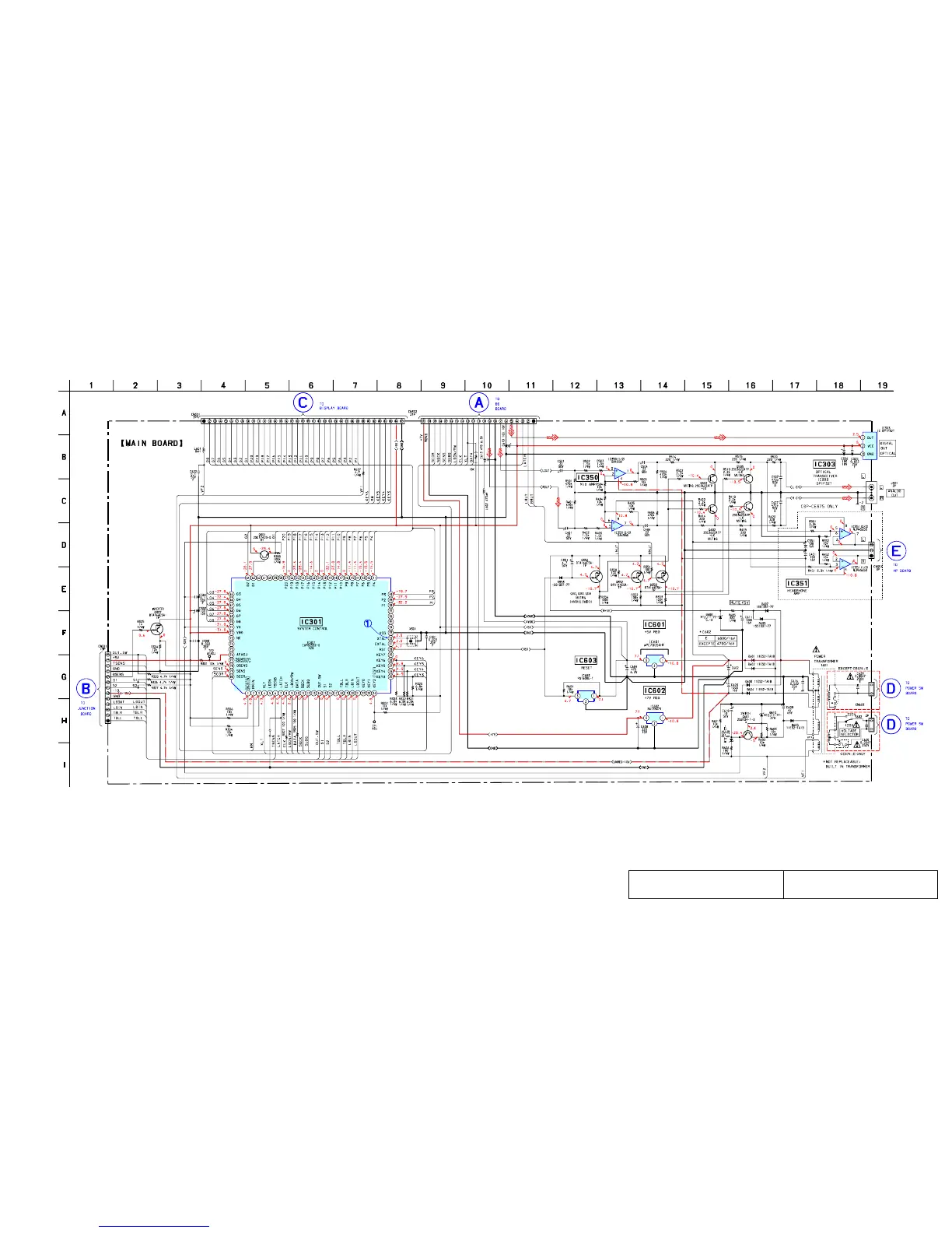
CDP-CE275/CE375
6-7. SCHEMATIC DIAGRAM – MAIN Board – See page 24 for Waveform.
The components identified by mark 0 or dotted
line with mark 0 are critical for safety.
Replace only with part number specified.
Les composants identifiés par une marque 0 sont
critiques pour la sécurité. Ne les remplacer que
par une pièce portant le numéro spécifié.
(Page 23)
(Page 17)
(Page 19)
(Page 23)
(Page 23)

Other manuals for Sony CDP-CE375

Related product manuals