EasyManua.ls Logo

Sony CDP-CE375 - Page 25

Sony CDP-CE375
40 pages
Print Icon
To Next Page IconTo Next Page
To Next Page IconTo Next Page
To Previous Page IconTo Previous Page
To Previous Page IconTo Previous Page
Loading...
25
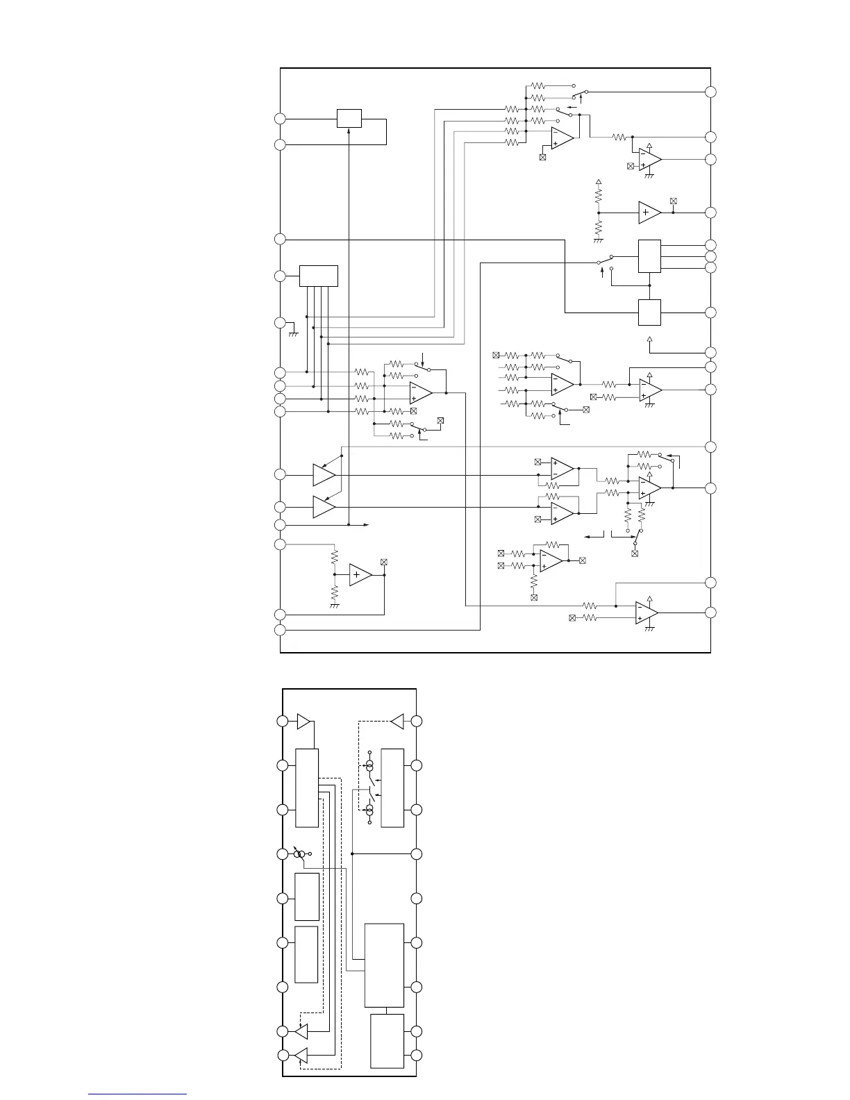
CDP-CE275/CE375
– BD Board –
IC131 CXA2581N
10
11
12
4
3
EQ IN
9
D
10
F
E
8
C
7
B
6
A
AC SUM
DC_OFST
RFDCI
11
RFDCO
VC
24
BST
25
VFC
CEI
EQ
APC
5
GND
AC
SUM
26
RFC
AC
VCA
23
RFG
22
VCC
20
21
CE
19
TE_BAL
18
TE
17
FEI
16
FE
1LD
2
PD
11
SW
12
13
DVCC
14
DVC
15
RFAC
VC
EQ
ON/OFF
VC
VC
VC
VC
DVC
DVC
APC-OFF(Hi-Z)
RW/ROM
(H/L)
DVC
DVC
AVC
DVCC
VC
DVC
RW/ROM
RW/ROM
RW/ROM
RW/ROM
RW/ROM
RW/ROM
DVCC
VCC
VCC
VCC
VOFST
VOFST
VOFST
B
C
A
D
gm
gm
DVCC
– JUNCTION Board –
IC11 BA6780
VIN2
FIN2
RIN2
CT2
VEE
FBIN-
FBIN+
OUT2+
OUT2-
VIN1
FIN1
REVERSIBLE DRIVER
FWD/REV CONTROLLER
COVERNER DRIVER
FWD/REV CONTROLLER
COVERNER
LOAD CURRENT
DETECTION
AMPLIFIER
COVERNER
OUTPUT
REFERENCE
VOLTAGE
OUTPUT
LOW VOLTAGE
OUTPUT
RIN1
IOUT
VEE
VEE VCC
VREF
VREG
VCC
OUT1+
+-
OUT1-
18
17
16
15
1
2
3
4
5
6
7
8
9
14
13
12
11
10

Other manuals for Sony CDP-CE375

Related product manuals