EasyManua.ls Logo

Sony CDP-XA20ES - Mechanism Deck Assembly Diagram

Sony CDP-XA20ES
44 pages
Print Icon
To Next Page IconTo Next Page
To Next Page IconTo Next Page
To Previous Page IconTo Previous Page
To Previous Page IconTo Previous Page
Loading...
– 50 –
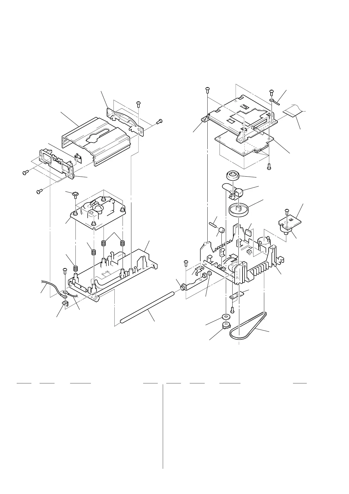
Ref. No. Part No. Description Remark
Ref. No. Part No. Description Remark
* 163 A-4699-761-A SERVO BOARD, COMPLETE
164 4-977-897-01 GEAR
165 4-977-898-01 LEVER (SWING)
166 4-977-896-01 PULLEY
* 167 A-4699-759-A LOADING MOTOR BOARD, COMPLETE
* 168 1-666-163-11 LD IN SW BOARD
169 4-968-905-01 BELT (CDM)
170 4-986-919-01 LIMITTER (LEVER)
171 4-988-103-01 SLIDER (SWING)
172 4-988-107-01 CUSHION (LD)
173 4-933-134-01 SCREW +PTPWH M2.6X6
M103 A-4660-970-A MOTOR ASSY (LOADING)
* 151 4-977-889-01 PLATE (BU), GROUND
152 4-989-303-01 SPRING (BU-LF), COMPRESSION
153 4-988-104-01 SPRING (BU), COMPRESSION
* 154 4-986-917-01 COVER (F) (DRAWER)
155 4-986-916-01 PANEL (DRAWER)
* 156 4-986-918-01 COVER (R) (DRAWER)
* 157 4-977-888-01 SHAFT
* 158 4-977-892-01 BEARING
* 159 4-977-891-01 PLATE, GROUND
160 X-4924-457-1 ROLLER ASSY
161 4-934-376-01 SHAFT (ROLLER)
162 1-776-998-11 WIRE (FLAT TYPE) (21 CORE)
#2
#2
#2
not supplied
#2
not supplied
#2
BU-14C
#2
#2
#3
#2
#2
not supplied
not supplie
d
#2
155
156
154
173
151
157
168
161
160
159
167
166
165
164
163
162
169
172
171
170
152
not supplied
not supplied
not supplied
not supplied
M103
153
158
153
(4) MECHANISM DECK SECTION
(CDM36B-14C)

Related product manuals